H71H/W对夹升降式止回阀
- 销售:021-32051999
- 销售:021-32050777
- 传真:021-66099555
详情介绍
- 产品介绍
- 服务承诺
- 订货流程
H71H/W对夹升降式止回阀由阀体、阀瓣、弹簧等组成,水平或垂直安装于管路系统,防止介质倒流,具有结构短、体积小、质量轻;阀瓣关闭快速,水锤压力小;流道通畅,流体阻力小;动作灵敏,密封性能好。
主要技术参数
型号 | 公称通径 | 试验压力 | 工作温度 | 适用温度 | |
壳体 | 密封 | ||||
H71H-16Q | 1.6 | 2.4 | 1.76 | ≤235℃ | 水、蒸气、油品等 |
H71H-25Q | 2.5 | 3.75 | 2.75 | ≤235℃ | |
H71W-25H | ≤300℃ | ||||
H71W-25P | ≤200℃ | 硝酸等腐蚀性介质 | |||
H71W-40H | 4.0 | 6.0 | 4.4 | ≤300℃ | |
H71W-40P | ≤200℃ | 水、蒸气 | |||
主要零件材料
型号 | 阀门 | 阀瓣 | 弹簧 |
H71H-16Q H71H-25Q | QT400-15 | 25 | 50CrVA |
H71W-25H H71W-40H | 2Cr13 | 1Cr13 | 1Cr18Ni9 |
H71W-25P H71W-40P | ZG1Cr18Ni9Ti | 1Cr18Ni9Ti | 1Cr18Ni9Ti |

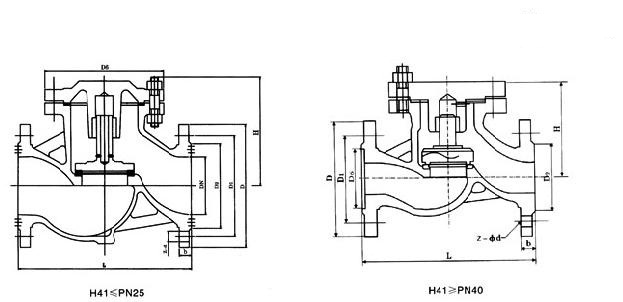
主要外形尺寸
公称通径 | L | D | 公称通径 | L | D | ||||
1.6 | 2.5 | 4.0 | 1.6 | 2.5 | 4.0 | ||||
15 | 25 | 48 | 48 | 48 | 80 | 71 | 140 | 140 | 140 |
20 | 31.5 | 58 | 58 | 58 | 100 | 80 | 160 | 165 | 165 |
25 | 35.5 | 68 | 68 | 68 | 125 | 110 | 190 | 195 | 195 |
32 | 40 | 80 | 80 | 870 | 150 | 125 | 215 | 225 | 225 |
40 | 45 | 90 | 90 | 90 | 200 | 160 | 270 | 285 | 390 |
50 | 56 | 105 | 105 | 105 | 250 | 200 | 330 | 340 | 350 |
65 | 63 | 125 | 125 | 125 | 300 | 250 | 385 | 400 | 415 |
法兰连接尺寸:铁制阀门按GB4216.4(5)-84标准,钢制阀门按GB/T9113.1-2000标准。
良好的品质、优良的服务 奇高为你创造更多价值!
“奇高阀门”的期望,不断提升服务质量,精益求精,“真诚的服务”是“奇高”永恒的主题。“奇高”严格按照IS09001-2000 质量体系认证要求,质量严格把关, 责任到人,确保生产、销售、服务的健康运行。加强与用户沟通,竭诚为广大客户提供优良产品,贴心服务。特此我厂做出以下承诺:
产品标准:
产品严格按照中国GB、HG 标准和美国API等标准设计、制造、验收。密封面硬度达到国家规定要求,宽度超过国家标准。
售前服务:
产品介绍,技术交流,非标产品设计,疑难解答。
售中服务:
守信合同,及时供货,随时保持与客户联系。 对特殊或复制的产品,我厂安排技术人员对用户进行产品使用、故障排除
售后服务:
1、“奇高”牌产品品质期为自出厂起12个月,实行“三包”服务(包退、包换、保修)。
2、产品在使用中我厂定期组织技术、质检人员进行访问,征询用户对产品质量、 使用状况、改进意见等方面的反馈, 以便进一步提高产品质量。
3、对用户投诉质量问题,快速作出反应,售后服务人员在24-36小时(省外48小时)赶赴现场。
4、对售后服务,要求用户填写服务后的质量反馈信息表,并作出鉴定意见,以便提高奇高的服务质量。
1、客户如对产品有特殊要求,须在订货合同中提供以下说明:
a、结构长度;
b、连接形式;
c、公称直径、全通径、缩径、管道尺寸;
d、运行介质及温度、压力范围;
e、试验、检验标准及其他要求
2、本厂可根据客户特定要求配置各类驱动装置。
3、如由客户提供确定的阀门类型和型号时,客户应正确说明其型号的含义和要求,在供需双方理解一致的条件下签订合同。
4、期货、订货的客户请先来电函详细告诉所需的阀门型号、规格、数量以及交货时间、地点,并按总的30%预定金或全额货款及时汇入我厂帐户,其余货款待发货前汇入,以便及时安排发货。
订单流程:
1、客户采购清单传真至021-33872143,或来电咨询 021-33872141
2、收到客户采购清单,为客户提供阀门型号选型与报价(价格清单)。
3、具体商定:交货期、特殊要求等事宜。
订货须知:
1、客户如对产品有特殊要求,须在订货合同中提供以下说明:
|
|||||
|
|||||
2、本厂可根据客户特定要求配置各类驱动装置。
|
|||||
3、如由客户提供确定的阀门类型和型号时,客户应正确说明其型号的含义和要求,在供需双方理解一致的条件下签订合同。
|
|||||
4、期货、订货的客户请先来电函详细告诉所需的阀门型号、规格、数量以及交货时间、地点,并按总的30%预定金或全额货款及时汇入我厂账户, 其余货款待发货前汇入,以便及时安排发货。
|
售中服务:
守信合同,及时供货,随时保持与客户联系。
对特殊或复制的产品,我厂安排技术人员对用户进行产品使用、故障排除
售后服务:
1、“奇高”产品品质期为自出厂起12个月,实行“三包”服务(包退、包换、保修)。
2、产品在使用中我厂定期组织技术、质检人员进行访问,征询用户对产品质量、使用状况、改进意见等方面的反馈,
以便进一步提高产品质量。
3、对用户投诉质量问题,快速作出反应,售后服务人员在24-36小时(省外48小时)赶赴现场。
4、对售后服务,要求用户填写服务后的质量反馈信息表,并作出鉴定意见,以便提高“奇高”的服务质量。
声明 |
|