H41H/W升降式止回阀
- 销售:021-32051999
- 销售:021-32050777
- 传真:021-66099555
详情介绍
- 产品介绍
- 服务承诺
- 订货流程
H41H/W升降式止回阀选用于公称压力PN1.6~6.4MPa,工作温度-29~550℃的石油、化工、火力电站等各种工况的管路上。适用介质为:水、油品、蒸汽等。
结构与特点
1、选材考究,符合国内、外相关标准,材料的质量高。
2、密封副配对新型合理,阀瓣、阀座密封面采用铁基合金或司太立(Stellite)钴基硬质合金堆焊面成,耐磨、耐高温、耐腐蚀、抗擦伤性能好,使用寿命长。
3、产品按国家标准GB/T12235设计制造。
4、可采用各种配管法兰标准及法兰密封型式,满足各种工程需要及用户要求。
5、阀体材料品种齐全,垫片可根据实际工况或用户要求合理选配,能适用于各种压力、温度及介质工况。
可按用户要求设计制造不同结构形式和连接形式的止回阀,为各种设备配套使用
应用规范
设计与制造 | GB/T12235 | |
连接端尺寸 | 结构长度 | GB/T12221 |
法兰尺寸 | JB/T79 | |
检验与试验 | JB/T9092 | |
材料 | 碳钢 | GB/T12229 |
不锈钢 | GB/T12230 | |
合金钢 | Q/ZB66 | |
标志 | GB/T12220 | |
供货 | JB/T7928 | |
主要零件材料
阀体 | 阀盖 | 阀瓣 | 阀座 | 适用介质 | 适用温度 |
WCB | WCB+D507Mo | WCB+D577 | 水、油品、蒸汽 | 425 | |
ZG1Cr18Ni9Ti | 0Cr18Ni9+ | 0Cr18Ni9+ | 销酸类 | 200 | |
ZG1Cr18Ni2Mo2Ti | CF8M+Stellite12 | ZG1Cr18Ni2Mo2Ti | 磷酸、醋酸类、混酸 | 200 | |
ZG00Cr17Ni14Mo2 | CF3M+Stellite12 | CF3M+Stellite6 | 尿素、甲铵液、磷酸 | 200 | |
ZG1Cr5Mo | ZG1Cr5Mo+ | ZG1Cr5Mo+ | 水、油品、蒸汽 | 550 | |

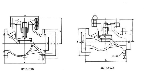
主要外形尺寸
型号 | 公称压力PN (MPa) | 公称通径DN(mm) | 尺 寸(mm) | 重量 (Kg) | ||||||
L | D | D1 | D2 | b | H | Z-d | ||||
H41H-16C H41W-16P H41W-16R | 1.6 | 25 | 160 | 115 | 85 | 65 | 16 | 71 | 4-14 | 3.3 |
32 | 180 | 135 | 100 | 78 | 18 | 84 | 4-18 | 5.O | ||
40 | 200 | 145 | 110 | 85 | 18 | 96 | 4-18 | 6.3 | ||
50 | 230 | 160 | 125 | 100 | 20 | 115 | 4-18 | 8.9 | ||
65 | 290 | 180 | 145 | 120 | 20 | 145 | 4-18 | 13.2 | ||
80 | 340 | 195 | 160 | 135 | 22 | 156 | 8-18 | 24 | ||
100 | 350 | 21 5 | 180 | 155 | 24 | 170 | 8-18 | 48 | ||
125 | 400 | 245 | 210 | 185 | 26 | 201 | 8-18 | 60 | ||
150 | 480 | 280 | 240 | 210 | 26 | 238 | 8-23 | 95 | ||
型号 | 公称压力PN(MPa) | 公称通径DN(mm) | 尺 寸(mm) | 重量 | |||||||
L | D | D1 | D2 | D3 | b | H | Z-d | (Kg) | |||
H41H-25C H41W-25P H41W-25R | 2 5 | 20 | 150 | 105 | 75 | 55 | 105 | 16 | 105 | 4-14 | 5.5 |
25 | 160 | 115 | 85 | 65 | 115 | 16 | 115 | 4-14 | 6 | ||
32 | 180 | 135 | 100 | 78 | 130 | 18 | 130 | 4-18 | 9.1 | ||
40 | 200 | 145 | 110 | 85 | 145 | 18 | 135 | 4-18 | 11 | ||
50 | 230 | 160 | 125 | 100 | 155 | 20 | 150 | 4-18 | 15.2 | ||
65 | 290 | 180 | 145 | 120 | 180 | 22 | 160 | 8-18 | 22 | ||
80 | 310 | 195 | 160 | 135 | 1 95 | 22 | 170 | 8-18 | 30 | ||
100 | 350 | 230 | 190 | 160 | 230 | 24 | 195 | 8-23 | 44 | ||
125 | 400 | 270 | 220 | 188 | 270 | 28 | 255 | 8-25 | 65 | ||
150 | 480 | 300 | 250 | 218 | 300 | 30 | 255 | 8-25 | 99 | ||
良好的品质、优良的服务 奇高为你创造更多价值!
“奇高阀门”的期望,不断提升服务质量,精益求精,“真诚的服务”是“奇高”永恒的主题。“奇高”严格按照IS09001-2000 质量体系认证要求,质量严格把关, 责任到人,确保生产、销售、服务的健康运行。加强与用户沟通,竭诚为广大客户提供优良产品,贴心服务。特此我厂做出以下承诺:
产品标准:
产品严格按照中国GB、HG 标准和美国API等标准设计、制造、验收。密封面硬度达到国家规定要求,宽度超过国家标准。
售前服务:
产品介绍,技术交流,非标产品设计,疑难解答。
售中服务:
守信合同,及时供货,随时保持与客户联系。 对特殊或复制的产品,我厂安排技术人员对用户进行产品使用、故障排除
售后服务:
1、“奇高”牌产品品质期为自出厂起12个月,实行“三包”服务(包退、包换、保修)。
2、产品在使用中我厂定期组织技术、质检人员进行访问,征询用户对产品质量、 使用状况、改进意见等方面的反馈, 以便进一步提高产品质量。
3、对用户投诉质量问题,快速作出反应,售后服务人员在24-36小时(省外48小时)赶赴现场。
4、对售后服务,要求用户填写服务后的质量反馈信息表,并作出鉴定意见,以便提高奇高的服务质量。
1、客户如对产品有特殊要求,须在订货合同中提供以下说明:
a、结构长度;
b、连接形式;
c、公称直径、全通径、缩径、管道尺寸;
d、运行介质及温度、压力范围;
e、试验、检验标准及其他要求
2、本厂可根据客户特定要求配置各类驱动装置。
3、如由客户提供确定的阀门类型和型号时,客户应正确说明其型号的含义和要求,在供需双方理解一致的条件下签订合同。
4、期货、订货的客户请先来电函详细告诉所需的阀门型号、规格、数量以及交货时间、地点,并按总的30%预定金或全额货款及时汇入我厂帐户,其余货款待发货前汇入,以便及时安排发货。
订单流程:
1、客户采购清单传真至021-33872143,或来电咨询 021-33872141
2、收到客户采购清单,为客户提供阀门型号选型与报价(价格清单)。
3、具体商定:交货期、特殊要求等事宜。
订货须知:
1、客户如对产品有特殊要求,须在订货合同中提供以下说明:
|
|||||
|
|||||
2、本厂可根据客户特定要求配置各类驱动装置。
|
|||||
3、如由客户提供确定的阀门类型和型号时,客户应正确说明其型号的含义和要求,在供需双方理解一致的条件下签订合同。
|
|||||
4、期货、订货的客户请先来电函详细告诉所需的阀门型号、规格、数量以及交货时间、地点,并按总的30%预定金或全额货款及时汇入我厂账户, 其余货款待发货前汇入,以便及时安排发货。
|
售中服务:
守信合同,及时供货,随时保持与客户联系。
对特殊或复制的产品,我厂安排技术人员对用户进行产品使用、故障排除
售后服务:
1、“奇高”产品品质期为自出厂起12个月,实行“三包”服务(包退、包换、保修)。
2、产品在使用中我厂定期组织技术、质检人员进行访问,征询用户对产品质量、使用状况、改进意见等方面的反馈,
以便进一步提高产品质量。
3、对用户投诉质量问题,快速作出反应,售后服务人员在24-36小时(省外48小时)赶赴现场。
4、对售后服务,要求用户填写服务后的质量反馈信息表,并作出鉴定意见,以便提高“奇高”的服务质量。
声明 |
|