自力式压力调节阀-V230/V231D
- 销售:021-32051999
- 销售:021-32050777
- 传真:021-66099555
详情介绍
- 产品介绍
- 服务承诺
- 订货流程
V230D/V231D自力式压力(差压)调节阀由薄膜式(活塞式)执行机构,阀体,阀座,阀芯,平衡弹簧等部件组成,是一种无需外来能源而只依靠被调介质自身压力的变化来进行自动调节压力的阀门,是根据力学原理,将被控介质引入执行机构产生力作用推动,控制阀芯元件上下位移达到自动调节控制,阀前或阀后恒压或减压的节能型产品,适用于非腐蚀性的液体,气体,蒸汽等介质的压力控制.广泛用于石油,化工,冶金,轻工等工业部门及城市供热,供暖系统。
自力式压力(差压)调节阀 产品特点
自力式压力(差压)调节阀大的特点是能在无电,无气的场所工作,压力设定值在运行中可随意调整.调整范围大,动作灵敏,密封性能好,阀芯为力平衡型结构,不平稳力小,调节比例大和压差范围大等特点。
本产品有公称压力PN1.6,2.5,4.0;公称通径范围20∼300mm;使用温度≤300℃.多种多样的品种可供选择.
自力式压力(差压)调节阀 型号规格
类别 | 压力控制调节阀 | 差压控制调节阀 | ||||||
阀后压力调节阀 | 阀前压力调节阀 | 差压上升阀关闭型 | 差压上升阀开启型 | |||||
硬密封 | 软密封 | 硬密封 | 软密封 | 硬密封 | 软密封 | 硬密封 | 软密封 | |
型号 | V230D01 | V231D01 | V230D02 | V231D02 | V230D03 | V231D03 | V230D04 | V231D04 |
规格 | DN15~200 | |||||||
自力式压力(差压)调节阀 主要零件材料
材料代号 | C(WCB) | P(304) | R(316) | |
主要 零件 | 阀体 | WCB(ZG230-450) | ZG1Cr18Ni9Ti(304) | ZG1Cr18Ni12Mo2Ti(316) |
阀芯,阀座 | 1Cr18Ni9Ti(304) | 1Cr18Ni9Ti(304) | 1Cr18Ni12Mo2Ti(316) | |
阀杆 | 1Cr18Ni9Ti | 1Cr18Ni9Ti | 1Cr18Ni12Mo2Ti | |
膜片 | EPDM或FKM夹纤维 | |||
膜盖 | A3钢镀锌 | |||
填料 | 聚四氟乙烯,柔性石墨 | |||
弹簧 | 60Si2Mn | |||
自力式压力(差压)调节阀 主要技术参数
公称通径DN(mm) | 20 | 25 | 32 | 40 | 50 | 65 | 80 | 100 | 125 | 150 | 200 | ||||
额定流量系数Kv | 6.3 | 8 | 16 | 20 | 32 | 50 | 80 | 125 | 160 | 320 | 450 | ||||
噪音衡量系数Z值 | 0.6 | 0.6 | 0.55 | 0.55 | 0.5 | 0.5 | 0.45 | 0.4 | 0.35 | 0.3 | 0.2 | ||||
允许压差 | 1.6(MPa) | 1.6 | 1.5 | 1.2 | 1.0 | ||||||||||
4.0(MPa) | 2.0 | 1.5 | 1.2 | 1.0 | |||||||||||
公称压力(MPa) | 1.6 2.5 4.0 | ||||||||||||||
调节精度(%) | ±5 | ||||||||||||||
工作温度(℃) | 液体≤140;气体≤80;冷凝器≤200;冷凝器和散热片≤350;冷凝器和加长件≤300; | ||||||||||||||
适用介质 | 执水,气体,蒸汽,低粘度介质 | ||||||||||||||
压力平衡元件 | 波纹管 | 滚动膜片 | |||||||||||||
允许泄漏量 | 硬密封(L/h) | ≤4×10-4×阀额定容量 | |||||||||||||
软密封 | 10气泡/min | 20气泡/min | 40气泡/min | ||||||||||||
高工作压力MPa | 公称压力(△Pmax及工作压力与工作温度的关系) | ||||||||||||||
自力式压力(差压)调节阀 执行机构
型 号 | V230D01(D03) V231D01(D03) | V230D02(D04) V231D02(D04) | ||||||
you效面积cm2 | 32※ | 80※ | 250 | 630 | 32※ | 80※ | 250 | 630 |
压力设定范围MPa | 0.3~1.2 | 0.1~0.6 | 0.015~0.15 | 0.005~0.035 | 0.3~1.1 | 0.1~0.5 | 0.015~0.12 | 0.005~0.035 |
0.8~1.6 | 0.05~0.3 | 0.01~0.07 | 1.0~1.6 | 0.05~0.25 | 0.01~0.06 | |||
保证压力正常工作小压差△P MPa | ≥0.05 | ≥0.04 | ≥0.01 | ≥0.05 | ≥0.05 | ≥0.04 | ≥0.01 | ≥0.05 |
允许上,下膜室间大压差MPa | 2.0 | 1.25 | 0.4 | 0.15 | 2.0 | 1.25 | 0.4 | 0.15 |
行程mm | 18 | 18 | 23 | 23 | 18 | 18 | 23 | 23 |
控制管线,接头 | 铜管或钢管10×1;卡套式接头R1/4" | |||||||
注:该压力设定范围不适用于DN150~200
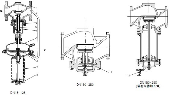
自力式压力(压差)调节阀 结构

1 | 阀体 | 2 | 阀座 | 3 | 阀轴 | 4 | 阀盖 | 5 | 膜盖 | 6 | 膜片 |
7 | 弹簧 | 8 | 调节螺母 | 9 | 导压管 | 10 | 波纹管 | 11 | 平衡膜片 | 12 | 充注阀 |
自力式压力(差压)调节阀 主要外形尺寸

阀体尺寸
公称通径DN(mm) | 15 | 20 | 25 | 32 | 40 | 50 | 65 | 80 | 100 | 125 | 150 | 200 |
L(mm) | 130 | 150 | 160 | 180 | 200 | 230 | 290 | 310 | 350 | 400 | 480 | 600 |
B(mm) | 212 | 212 | 238 | 238 | 240 | 240 | 275 | 275 | 380 | 380 | 295 | 325 |

执行器尺寸
you效面积cm2 | 32 | 80 | 250 | 630 | |
ΦR(mm) | 172 | 172 | 263 | 380 | |
H | D01(D03) | 435 | 430 | 470 | 520 |
D02(D04) | 440 | 435 | 440 | 520 | |
良好的品质、优良的服务 奇高为你创造更多价值!
“奇高阀门”的期望,不断提升服务质量,精益求精,“真诚的服务”是“奇高”永恒的主题。“奇高”严格按照IS09001-2000 质量体系认证要求,质量严格把关, 责任到人,确保生产、销售、服务的健康运行。加强与用户沟通,竭诚为广大客户提供优良产品,贴心服务。特此我厂做出以下承诺:
产品标准:
产品严格按照中国GB、HG 标准和美国API等标准设计、制造、验收。密封面硬度达到国家规定要求,宽度超过国家标准。
售前服务:
产品介绍,技术交流,非标产品设计,疑难解答。
售中服务:
守信合同,及时供货,随时保持与客户联系。 对特殊或复制的产品,我厂安排技术人员对用户进行产品使用、故障排除
售后服务:
1、“奇高”牌产品品质期为自出厂起12个月,实行“三包”服务(包退、包换、保修)。
2、产品在使用中我厂定期组织技术、质检人员进行访问,征询用户对产品质量、 使用状况、改进意见等方面的反馈, 以便进一步提高产品质量。
3、对用户投诉质量问题,快速作出反应,售后服务人员在24-36小时(省外48小时)赶赴现场。
4、对售后服务,要求用户填写服务后的质量反馈信息表,并作出鉴定意见,以便提高奇高的服务质量。
1、客户如对产品有特殊要求,须在订货合同中提供以下说明:
a、结构长度;
b、连接形式;
c、公称直径、全通径、缩径、管道尺寸;
d、运行介质及温度、压力范围;
e、试验、检验标准及其他要求
2、本厂可根据客户特定要求配置各类驱动装置。
3、如由客户提供确定的阀门类型和型号时,客户应正确说明其型号的含义和要求,在供需双方理解一致的条件下签订合同。
4、期货、订货的客户请先来电函详细告诉所需的阀门型号、规格、数量以及交货时间、地点,并按总的30%预定金或全额货款及时汇入我厂帐户,其余货款待发货前汇入,以便及时安排发货。
订单流程:
1、客户采购清单传真至021-33872143,或来电咨询 021-33872141
2、收到客户采购清单,为客户提供阀门型号选型与报价(价格清单)。
3、具体商定:交货期、特殊要求等事宜。
订货须知:
1、客户如对产品有特殊要求,须在订货合同中提供以下说明:
|
|||||
|
|||||
2、本厂可根据客户特定要求配置各类驱动装置。
|
|||||
3、如由客户提供确定的阀门类型和型号时,客户应正确说明其型号的含义和要求,在供需双方理解一致的条件下签订合同。
|
|||||
4、期货、订货的客户请先来电函详细告诉所需的阀门型号、规格、数量以及交货时间、地点,并按总的30%预定金或全额货款及时汇入我厂账户, 其余货款待发货前汇入,以便及时安排发货。
|
售中服务:
守信合同,及时供货,随时保持与客户联系。
对特殊或复制的产品,我厂安排技术人员对用户进行产品使用、故障排除
售后服务:
1、“奇高”产品品质期为自出厂起12个月,实行“三包”服务(包退、包换、保修)。
2、产品在使用中我厂定期组织技术、质检人员进行访问,征询用户对产品质量、使用状况、改进意见等方面的反馈,
以便进一步提高产品质量。
3、对用户投诉质量问题,快速作出反应,售后服务人员在24-36小时(省外48小时)赶赴现场。
4、对售后服务,要求用户填写服务后的质量反馈信息表,并作出鉴定意见,以便提高“奇高”的服务质量。
声明 |
|