QJ41M高温球阀
- 销售:021-32051999
- 销售:021-32050777
- 传真:021-66099555
详情介绍
- 产品介绍
- 服务承诺
- 订货流程
QJ41M高温球阀/QJ641M气动高温球阀/QJ941M电动高温球阀是采用新型密封材料为阀座,经同类产品聚四氟乙烯做密封的球阀,使用寿命提高了3-5倍。具有性能稳定、密封可靠、磨擦力小、开关轻便、耐高温、耐磨、耐油、耐腐蚀、使用寿命长等优点,高温球阀与截止阀、柱塞阀、排污阀,结构长度相符,扩大了球阀使用范围,广泛用于石油、化工、橡胶、造纸、制药等行业,可替代截止阀、柱塞阀、快速排污阀。适用介质:水、蒸汽、导热油等酸类,使用温度:≤350℃。
高温球阀中的球体、密封圈采用了特殊的加工工艺和新密封材料,使球体表面粗糙度和圆度达到标准要求,从而提高了密封性能和使用寿命、耐高温的能力。顺时板动手柄带动阀杆驱动球体旋转,使介质顺利通过。
![]() | ![]() |
| 气动高温球阀 | 电动高温球阀 |
高温球阀 性能参数
型号 | 公称压力 | 强度试验压力 | 密封试验压 | 适用温度 | 适用介质 |
QJ41M/F-16P | 1.6 | 2.4 | 1.8 | -28~+300 (M/F) | 导热油、水、蒸汽、气体、油品、硝酸类腐蚀性介质、醋酸类腐蚀性介质 |
QJ41M/F-16P | 2.5 | 3.8 | 2.8 | -28~+350 (PPN) |
高温球阀 主要零件材料
序号 | 零部件名称 | 材料 |
1 | 阀体 | 球墨铸铁、碳素钢、铸不锈钢 |
2 | 密封圈 | (M/F)高强度耐磨碳结石墨≤300℃ (PPN)对莅聚苯、温度≤350℃ |
3 | 球 | 不锈钢 |
4 | 填料 | 聚四氟乙烯 |
5 | 填料压盖 | QT450-10球墨铸铁 |
6 | 阀杆 | 碳素钢、铬不锈钢 |
7 | 手柄 | 碳钢 |

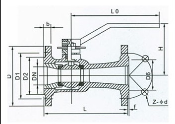
高温球阀 主要外形尺寸
型号 | 规格 | 尺寸 | ||||||
L | D | D 1 | D 2 | z-φd | H | b | ||
QJ41M/F-16 QJ641M/F-16 QJ941M/F-16 | 15 | 130 | 95 | 65 | 45 | 4-14 | 85 | 14 |
20 | 150 | 105 | 75 | 55 | 4-14 | 95 | 16 | |
25 | 160 | 115 | 85 | 65 | 4-14 | 103 | 16 | |
32 | 180 | 135 | 100 | 78 | 4-18 | 105 | 18 | |
40 | 200 | 145 | 110 | 85 | 4-18 | 120 | 18 | |
50 | 230 | 160 | 125 | 100 | 4-18 | 195 | 20 | |
65 | 290 | 180 | 145 | 120 | 4-18 | 195 | 20 | |
80 | 310 | 195 | 160 | 135 | 8-18 | 215 | 22 | |
100 | 350 | 215 | 180 | 155 | 8-18 | 253 | 24 | |
良好的品质、优良的服务 奇高为你创造更多价值!
“奇高阀门”的期望,不断提升服务质量,精益求精,“真诚的服务”是“奇高”永恒的主题。“奇高”严格按照IS09001-2000 质量体系认证要求,质量严格把关, 责任到人,确保生产、销售、服务的健康运行。加强与用户沟通,竭诚为广大客户提供优良产品,贴心服务。特此我厂做出以下承诺:
产品标准:
产品严格按照中国GB、HG 标准和美国API等标准设计、制造、验收。密封面硬度达到国家规定要求,宽度超过国家标准。
售前服务:
产品介绍,技术交流,非标产品设计,疑难解答。
售中服务:
守信合同,及时供货,随时保持与客户联系。 对特殊或复制的产品,我厂安排技术人员对用户进行产品使用、故障排除
售后服务:
1、“奇高”牌产品品质期为自出厂起12个月,实行“三包”服务(包退、包换、保修)。
2、产品在使用中我厂定期组织技术、质检人员进行访问,征询用户对产品质量、 使用状况、改进意见等方面的反馈, 以便进一步提高产品质量。
3、对用户投诉质量问题,快速作出反应,售后服务人员在24-36小时(省外48小时)赶赴现场。
4、对售后服务,要求用户填写服务后的质量反馈信息表,并作出鉴定意见,以便提高奇高的服务质量。
1、客户如对产品有特殊要求,须在订货合同中提供以下说明:
a、结构长度;
b、连接形式;
c、公称直径、全通径、缩径、管道尺寸;
d、运行介质及温度、压力范围;
e、试验、检验标准及其他要求
2、本厂可根据客户特定要求配置各类驱动装置。
3、如由客户提供确定的阀门类型和型号时,客户应正确说明其型号的含义和要求,在供需双方理解一致的条件下签订合同。
4、期货、订货的客户请先来电函详细告诉所需的阀门型号、规格、数量以及交货时间、地点,并按总的30%预定金或全额货款及时汇入我厂帐户,其余货款待发货前汇入,以便及时安排发货。
订单流程:
1、客户采购清单传真至021-33872143,或来电咨询 021-33872141
2、收到客户采购清单,为客户提供阀门型号选型与报价(价格清单)。
3、具体商定:交货期、特殊要求等事宜。
订货须知:
1、客户如对产品有特殊要求,须在订货合同中提供以下说明:
|
|||||
|
|||||
2、本厂可根据客户特定要求配置各类驱动装置。
|
|||||
3、如由客户提供确定的阀门类型和型号时,客户应正确说明其型号的含义和要求,在供需双方理解一致的条件下签订合同。
|
|||||
4、期货、订货的客户请先来电函详细告诉所需的阀门型号、规格、数量以及交货时间、地点,并按总的30%预定金或全额货款及时汇入我厂账户, 其余货款待发货前汇入,以便及时安排发货。
|
售中服务:
守信合同,及时供货,随时保持与客户联系。
对特殊或复制的产品,我厂安排技术人员对用户进行产品使用、故障排除
售后服务:
1、“奇高”产品品质期为自出厂起12个月,实行“三包”服务(包退、包换、保修)。
2、产品在使用中我厂定期组织技术、质检人员进行访问,征询用户对产品质量、使用状况、改进意见等方面的反馈,
以便进一步提高产品质量。
3、对用户投诉质量问题,快速作出反应,售后服务人员在24-36小时(省外48小时)赶赴现场。
4、对售后服务,要求用户填写服务后的质量反馈信息表,并作出鉴定意见,以便提高“奇高”的服务质量。
声明 |
|

