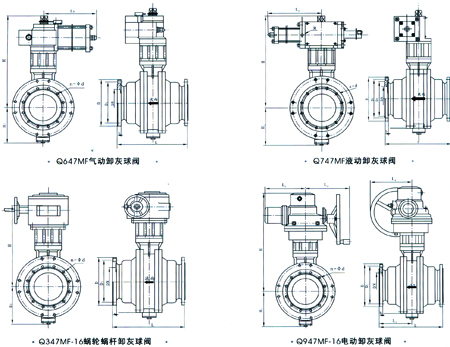
Q47H卸灰球阀
- 销售:021-32051999
- 销售:021-32050777
- 传真:021-66099555
详情介绍
- 产品介绍
- 服务承诺
- 订货流程
Q47H卸灰球阀/Q947H电动卸灰球阀/Q647H气动卸灰球阀在石油、天然气、煤炭和矿石的开采、提炼加工和管道输送系统中;在化工产品、医药和食品生产种;在水电、火电和核电的电力生产系统中;在城市和工业企业的给排水、供热、和供气系统中;在农田的排灌系统中;在治金生产系统中得以广泛的应用,是一种与生产建设、国防建设和人民生活息息相关的重要机械产品。球阀密闭在各类管路系统种用于截断或接通介质流,使介质按照预定的程序输送到各个指定点。
卸灰球阀 产品特点
1、手动部分可采用钢板压制的手柄或不锈钢铸造的手柄。手柄设有限位结构,在阀门开启、关闭的位置设定限位,当阀门使用在关键装置上时,限位块上设有锁孔可锁定开 关位置避免误操作。手柄上有明显地开和关标识。
2、阀杆采用A182F(1Cr13)整体锻造并调制处理,硬度达到HB220~250。阀杆通过平键或花键或方契与手柄连接,通用性强,拆装方便。阀杆设有防吹出结构。
3、阀门的填料选用编结、柔性石墨密封圈或四氟烯密封圈,使得阀杆在一定的润滑情况下实现可靠的密封。
4、根据需要,球阀可设计成防静电结构,在球体与阀杆、阀杆与阀体之间设置导电弹簧,避免静电打火点燃易燃物质,确保系统安全。
5、密封副形式多样。根据不同工况可选用软密封、硬密封、防火阀座等结构;DN150以下为浮球形式,DN200以下为固定球形式。
6、球阀阀座处可设置辅助密封结构,在阀座和阀杆部位加装注脂阀,紧急情况下可暂时密封,并可根据需要加长阀杆以适宜埋地铺设得场所。
卸灰球阀 主要零件材料
阀体 | 阀杆 | 阀球 | 密封面 | 垫片 | 填料 | 工作温度 | 适用介质 |
WCB | 1Cr13 | 1Cr13 | 1Cr13 司太立合金 本体材料 | 柔性石墨 不锈钢加柔性石墨 08软钢 F304 F316 | 柔性石墨 编结石墨 | -29-425℃ | 水、蒸汽、油品 |
WC6 | 15CrMo | 15CrMo | -29-425℃ | ||||
WC9 | 25Cr2MoV | 25Cr2MoV | |||||
LCB | 304 | 304 | -46-354℃ | ||||
CF8 | 304 | 304 | -196-600℃ | 部分酸、碱 | |||
CF3 | 304L | 304L | |||||
CF8M | 316 | 316 | |||||
CF3M | 316L | 316L |

卸灰球阀 主要外形尺寸
公称压力 | 50 | 65 | 80 | 100 | 125 | 150 | 200 | 250 | 300 | 350 | 400 | 450 | 500 | |
系列1L | 216 | 241 | 283 | 305 | 356 | 394 | 457 | 533 | 610 | 686 | 762 | 864 | 914 | |
系列2L | - | - | - | - | - | - | 500 | 600 | 700 | 800 | 900 | - | 1000 | |
H | 102 | 114 | 127 | 152 | 184 | 219 | 273 | 360 | 395 | 430 | 470 | 550 | 580 | |
手动 | H1 | 107 | 125 | 152 | 178 | 300 | 330 | 398 | 495 | 580 | 625 | 670 | 698 | 840 |
E | - | - | - | - | - | - | 115 | 116 | 171 | 171 | 257 | 257 | 257 | |
F | - | - | - | - | - | - | 350 | 350 | 400 | 420 | 400 | 420 | 400 | |
W | 230 | 400 | 400 | 650 | 1050 | 1050 | 600 | 600 | 800 | 800 | 800 | 800 | 800 | |
WT(KG) | 12 | 16 | 22 | 35 | 58 | 74 | 205 | 322 | 460 | 576 | 864 | 1280 | 1600 | |
电动 | H2 | - | - | - | - | - | 554 | 600 | 652 | 760 | 770 | 830 | - | 940 |
L1 | - | - | - | - | - | 235 | 235 | 235 | 259 | 400 | 400 | - | 410 | |
气动 | H3 | 274 | 379 | 389 | 479 | 552 | 666 | 736 | 926 | 1059 | 1127 | 1127 | 1468 | 1538 |
L2 | 270 | 405 | 405 | 576 | 576 | 776 | 776 | 776 | 1060 | 1060 | 1060 | 1360 | 1360 | |
良好的品质、优良的服务 奇高为你创造更多价值!
“奇高阀门”的期望,不断提升服务质量,精益求精,“真诚的服务”是“奇高”永恒的主题。“奇高”严格按照IS09001-2000 质量体系认证要求,质量严格把关, 责任到人,确保生产、销售、服务的健康运行。加强与用户沟通,竭诚为广大客户提供优良产品,贴心服务。特此我厂做出以下承诺:
产品标准:
产品严格按照中国GB、HG 标准和美国API等标准设计、制造、验收。密封面硬度达到国家规定要求,宽度超过国家标准。
售前服务:
产品介绍,技术交流,非标产品设计,疑难解答。
售中服务:
守信合同,及时供货,随时保持与客户联系。 对特殊或复制的产品,我厂安排技术人员对用户进行产品使用、故障排除
售后服务:
1、“奇高”牌产品品质期为自出厂起12个月,实行“三包”服务(包退、包换、保修)。
2、产品在使用中我厂定期组织技术、质检人员进行访问,征询用户对产品质量、 使用状况、改进意见等方面的反馈, 以便进一步提高产品质量。
3、对用户投诉质量问题,快速作出反应,售后服务人员在24-36小时(省外48小时)赶赴现场。
4、对售后服务,要求用户填写服务后的质量反馈信息表,并作出鉴定意见,以便提高奇高的服务质量。
1、客户如对产品有特殊要求,须在订货合同中提供以下说明:
a、结构长度;
b、连接形式;
c、公称直径、全通径、缩径、管道尺寸;
d、运行介质及温度、压力范围;
e、试验、检验标准及其他要求
2、本厂可根据客户特定要求配置各类驱动装置。
3、如由客户提供确定的阀门类型和型号时,客户应正确说明其型号的含义和要求,在供需双方理解一致的条件下签订合同。
4、期货、订货的客户请先来电函详细告诉所需的阀门型号、规格、数量以及交货时间、地点,并按总的30%预定金或全额货款及时汇入我厂帐户,其余货款待发货前汇入,以便及时安排发货。
订单流程:
1、客户采购清单传真至021-33872143,或来电咨询 021-33872141
2、收到客户采购清单,为客户提供阀门型号选型与报价(价格清单)。
3、具体商定:交货期、特殊要求等事宜。
订货须知:
1、客户如对产品有特殊要求,须在订货合同中提供以下说明:
|
|||||
|
|||||
2、本厂可根据客户特定要求配置各类驱动装置。
|
|||||
3、如由客户提供确定的阀门类型和型号时,客户应正确说明其型号的含义和要求,在供需双方理解一致的条件下签订合同。
|
|||||
4、期货、订货的客户请先来电函详细告诉所需的阀门型号、规格、数量以及交货时间、地点,并按总的30%预定金或全额货款及时汇入我厂账户, 其余货款待发货前汇入,以便及时安排发货。
|
售中服务:
守信合同,及时供货,随时保持与客户联系。
对特殊或复制的产品,我厂安排技术人员对用户进行产品使用、故障排除
售后服务:
1、“奇高”产品品质期为自出厂起12个月,实行“三包”服务(包退、包换、保修)。
2、产品在使用中我厂定期组织技术、质检人员进行访问,征询用户对产品质量、使用状况、改进意见等方面的反馈,
以便进一步提高产品质量。
3、对用户投诉质量问题,快速作出反应,售后服务人员在24-36小时(省外48小时)赶赴现场。
4、对售后服务,要求用户填写服务后的质量反馈信息表,并作出鉴定意见,以便提高“奇高”的服务质量。
声明 |
|