电动法兰硬密封蝶阀-D943H
- 销售:021-32051999
- 销售:021-32050777
- 传真:021-66099555
详情介绍
- 产品介绍
- 服务承诺
- 订货流程
D41J法兰蝶阀/D641J气动蝶阀/D941J电动蝶阀在气体、液体管道上起调节流量或截流介质的作用,法兰衬胶蝶阀具有耐强腐蚀、稳定性好、可靠性强的特点,法兰衬胶蝶阀还具有密封可靠性强,防腐能力强,操作力矩小等优点,因此法兰衬胶蝶阀广泛的应用于食品、医药、化工、石油、电力、轻纺、造纸等行业。
法兰蝶阀 采用标准
法兰连接尺寸GB4216.4-84;GB9115.8-88
结构长度GB12221-89
压力试验GB/T13927-92;ZBJ16006-90
法兰蝶阀 主要技术参数
公称通径DN(mm) | 50~2000 | ||
公称压力PN(MPa) | 0.6 | 1.0 | |
试验压力 Ps(MPa) | 强度试验 | 0.9 | 1.5 |
密封试验 | 0.66 | 1.1 | |
适用介质 | 水、蒸汽、油品、海水、酸类 | ||
适用温度 | -40℃~200℃ | ||
法兰蝶阀 主要零件材料
名称 | 材料 |
阀体 | WCB、ZG1Cr18Ni9Ti、ZG1Cr18Ni12Mo2Ti HT250 |
阀板 | WCB、ZG1Cr18Ni9Ti、ZG1Cr18Ni12Mo2Ti HT250 |
阀杆 | 2Cr13、1Cr18Ni9Ti、1Cr18Ni12Mo2Ti |
密封圈 | CR、NBR、EPDM、FPM |
填料 | NBR、柔性石墨 V型橡胶垫 |

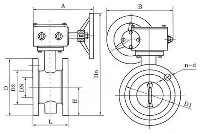
法兰衬胶蝶阀 主要外形尺寸
通径(DN) | L | D1 | D | Z-Φd | H | H0 | A | B | D0 | Wt/kg |
50 | 108 | 125 | 165 | 4-18 | 82.5 | 443 | 125 | 125 | 80 | 51 |
65 | 112 | 145 | 185 | 4-18 | 92.5 | 463 | 125 | 125 | 80 | 62 |
80 | 114 | 160 | 200 | 8-18 | 100 | 483 | 125 | 125 | 80 | 73.5 |
100 | 127 | 180 | 220 | 8-18 | 110 | 498 | 125 | 125 | 80 | 87 |
125 | 140 | 210 | 250 | 8-18 | 125 | 682 | 325 | 245 | 150 | 98 |
150 | 140 | 240 | 285 | 8-22 | 142.5 | 736 | 325 | 245 | 150 | 102 |
200 | 152 | 295 | 340 | 8-22 | 170 | 800 | 325 | 245 | 150 | 150 |
250 | 165 | 350 | 395 | 12-22 | 192.5 | 895 | 363 | 313 | 200 | 170 |
300 | 178 | 400 | 445 | 12-22 | 222.5 | 956 | 363 | 313 | 200 | 220 |
350 | 190 | 460 | 505 | 16-22 | 252.5 | 1029 | 363 | 313 | 250 | 350 |
400 | 216 | 515 | 565 | 16-26 | 282.5 | 1103 | 363 | 313 | 250 | 430 |
450 | 222 | 565 | 615 | 20-26 | 307.5 | 1280 | 465 | 439 | 300 | 550 |
500 | 229 | 620 | 670 | 20-26 | 335 | 1186 | 546 | 431 | 360 | 580 |
600 | 267 | 725 | 780 | 20-30 | 390 | 1321 | 546 | 556 | 360 | 850 |
700 | 430 | 840 | 895 | 24-30 | 420 | 1431 | 546 | 556 | 360 | 950 |
800 | 470 | 950 | 1015 | 24-33 | 477.5 | 1542 | 546 | 556 | 360 | 1150 |
900 | 510 | 1050 | 1115 | 28-33 | 1117.5 | 1800 | 617 | 706 | 360 | 1750 |
1000 | 550 | 1160 | 1230 | 28-36 | 582.5 | 2363 | 632 | 706 | 360 | 2100 |
1200 | 630 | 1380 | 1455 | 32-39 | 692.5 | 2583 | 632 | 706 | 360 | 2580 |
1400 | 710 | 1590 | 1675 | 36-42 | ||||||
1600 | 790 | 1820 | 1915 | 40-48 | ||||||
1800 | 870 | 2020 | 2115 | 44-48 | ||||||
2000 | 950 | 2230 | 2325 | 48-48 |
注:1.以上蝶阀的密封试验压力DN32~DN800为1.0Mpa;DN900~DN1000为0.6Mpa;DN1200~DN2000为0.25Mpa;
2.如工作压力超过1.0Mpa建议选用三偏心蝶阀;
3.以上蝶阀的连接尺寸均按1.0Mpa标准制造,如阀板衬橡胶等特殊需要,订货时需注明。
良好的品质、优良的服务 奇高为你创造更多价值!
“奇高阀门”的期望,不断提升服务质量,精益求精,“真诚的服务”是“奇高”永恒的主题。“奇高”严格按照IS09001-2000 质量体系认证要求,质量严格把关, 责任到人,确保生产、销售、服务的健康运行。加强与用户沟通,竭诚为广大客户提供优良产品,贴心服务。特此我厂做出以下承诺:
产品标准:
产品严格按照中国GB、HG 标准和美国API等标准设计、制造、验收。密封面硬度达到国家规定要求,宽度超过国家标准。
售前服务:
产品介绍,技术交流,非标产品设计,疑难解答。
售中服务:
守信合同,及时供货,随时保持与客户联系。 对特殊或复制的产品,我厂安排技术人员对用户进行产品使用、故障排除
售后服务:
1、“奇高”牌产品品质期为自出厂起12个月,实行“三包”服务(包退、包换、保修)。
2、产品在使用中我厂定期组织技术、质检人员进行访问,征询用户对产品质量、 使用状况、改进意见等方面的反馈, 以便进一步提高产品质量。
3、对用户投诉质量问题,快速作出反应,售后服务人员在24-36小时(省外48小时)赶赴现场。
4、对售后服务,要求用户填写服务后的质量反馈信息表,并作出鉴定意见,以便提高奇高的服务质量。
1、客户如对产品有特殊要求,须在订货合同中提供以下说明:
a、结构长度;
b、连接形式;
c、公称直径、全通径、缩径、管道尺寸;
d、运行介质及温度、压力范围;
e、试验、检验标准及其他要求
2、本厂可根据客户特定要求配置各类驱动装置。
3、如由客户提供确定的阀门类型和型号时,客户应正确说明其型号的含义和要求,在供需双方理解一致的条件下签订合同。
4、期货、订货的客户请先来电函详细告诉所需的阀门型号、规格、数量以及交货时间、地点,并按总的30%预定金或全额货款及时汇入我厂帐户,其余货款待发货前汇入,以便及时安排发货。
订单流程:
1、客户采购清单传真至021-33872143,或来电咨询 021-33872141
2、收到客户采购清单,为客户提供阀门型号选型与报价(价格清单)。
3、具体商定:交货期、特殊要求等事宜。
订货须知:
1、客户如对产品有特殊要求,须在订货合同中提供以下说明:
|
|||||
|
|||||
2、本厂可根据客户特定要求配置各类驱动装置。
|
|||||
3、如由客户提供确定的阀门类型和型号时,客户应正确说明其型号的含义和要求,在供需双方理解一致的条件下签订合同。
|
|||||
4、期货、订货的客户请先来电函详细告诉所需的阀门型号、规格、数量以及交货时间、地点,并按总的30%预定金或全额货款及时汇入我厂账户, 其余货款待发货前汇入,以便及时安排发货。
|
售中服务:
守信合同,及时供货,随时保持与客户联系。
对特殊或复制的产品,我厂安排技术人员对用户进行产品使用、故障排除
售后服务:
1、“奇高”产品品质期为自出厂起12个月,实行“三包”服务(包退、包换、保修)。
2、产品在使用中我厂定期组织技术、质检人员进行访问,征询用户对产品质量、使用状况、改进意见等方面的反馈,
以便进一步提高产品质量。
3、对用户投诉质量问题,快速作出反应,售后服务人员在24-36小时(省外48小时)赶赴现场。
4、对售后服务,要求用户填写服务后的质量反馈信息表,并作出鉴定意见,以便提高“奇高”的服务质量。
声明 |
|