美标蝶阀
- 销售:021-32051999
- 销售:021-32050777
- 传真:021-66099555
详情介绍
- 产品介绍
- 服务承诺
- 订货流程
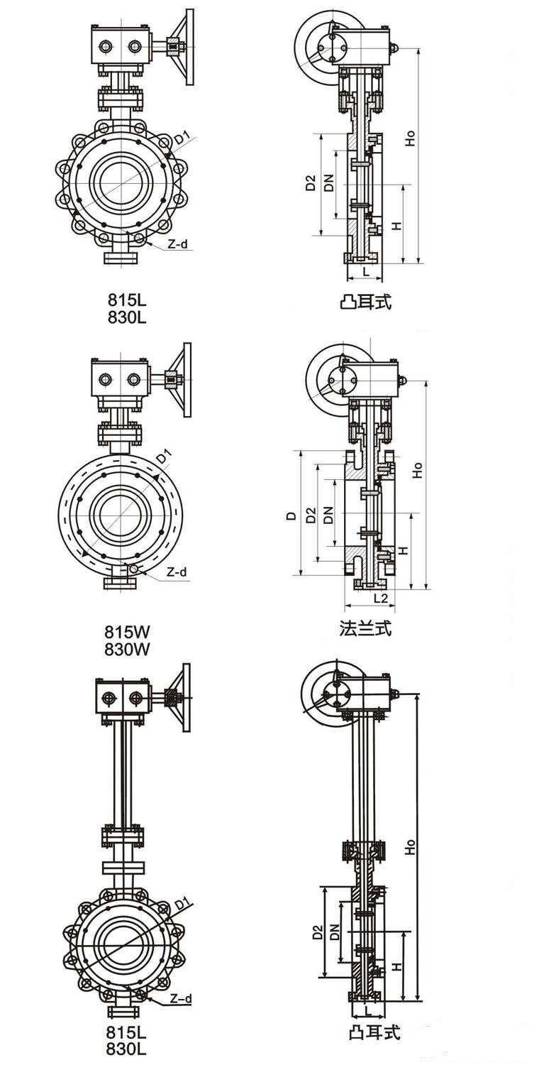
815、830系列美标蝶阀的主要结构特征为对夹式和法兰式三偏心结构,而815、830L系列蝶阀的主要结构特征为阀体周边带凸而且设计成带螺孔单法兰结构,815、830系列蝶阀广泛应用于石油、化工及工业环保水处理、高层建筑,给排水等管道上。其特点为:
由于采用的是三偏心结构,密闭性能可靠,确保开启时蝶板不接触密封座,清理了密封座不均匀负载,延长了使用寿命,确保可靠的密封性能,具有耐高温、耐磨损、耐腐蚀等优点。
美标蝶阀 型号编制

![]() | ![]() | ![]() |
美标蝶阀 采用标准
设计标准 :API609-83
法兰连接尺寸:ANSI B 16.5
结构长度 :ANSI B 16.10-1992
压力试验:API 598-82
美标蝶阀 主要技术参数
公称通径 | DN(mm) | 830W | 830L |
2"~36" | 2"~36" | ||
公称压力 | PN(Mpa) | 150Lb | 300Lb |
试验压力 | 强度试验 | 3.0 | 7.5 |
密封试验 | 2.2 | 5.5 | |
适用介质 | 水、蒸汽、油品、海水等 | ||
适用温度 | -29℃~425℃ | ||
美标蝶阀 主要零件材质
零件名称 | 材料 |
阀体 | WCB、304、316、316SS、CF8M |
蝶板 | WCB、304、316、316SS、CF8M |
阀杆 | 316、2Cr13、1Cr18Ni9Ti |
密封圈 | 316、氟塑料 |
填料 | 柔性石墨、氟塑料 |

美标蝶阀 主要外形尺寸
美标815W系
公称通径 | 结构长度 | 外形尺寸 | 连接尺寸 | 参考重量 | |||||||
L | L1 | H | H0 | D | D1 | D2 | M | Z-d | |||
2" | 50 | 43 | 108 | 110 | 345 | 152 | 120.5 | 92 | M18 | 4-19 | 9 |
3" | 80 | 49 | 114 | 125 | 380 | 190 | 152.5 | 127 | M18 | 4-19 | 11 |
4" | 100 | 56 | 127 | 145 | 415 | 229 | 190.5 | 157 | M18 | 8-19 | 13 |
5" | 125 | 64 | 140 | 165 | 455 | 254 | 216 | 186 | M20 | 8-22 | 16 |
6" | 150 | 70 | 140 | 175 | 545 | 279 | 241.5 | 216 | M20 | 8-22 | 26 |
8" | 200 | 71 | 150 | 210 | 645 | 343 | 298.5 | 270 | M20 | 8-22 | 34 |
10" | 250 | 76 | 160 | 250 | 695 | 406 | 362 | 324 | M24 | 12-25 | 51 |
12" | 300 | 86 | 178 | 285 | 830 | 483 | 432 | 381 | M24 | 12-25 | 72 |
14" | 350 | 92 | 190 | 320 | 900 | 533 | 476 | 413 | M27 | 12-29 | 106 |
16" | 400 | 102 | 216 | 355 | 980 | 597 | 540 | 470 | M27 | 16-29 | 133 |
18" | 450 | 114 | 222 | 380 | 1030 | 635 | 578 | 533 | M30 | 16-32 | 176 |
20" | 500 | 127 | 229 | 415 | 1110 | 699 | 635 | 584 | M30 | 20-32 | 190 |
24" | 600 | 154 | 267 | 475 | 1305 | 813 | 749.5 | 692 | M33 | 20-35 | 394 |
30" | 750 | 165 | 292 | 580 | 1525 | 985 | 914 | 857 | M33 | 28-35 | 476 |
32" | 800 | 190 | 318 | 630 | 1585 | 1060 | 978 | 914 | M39 | 28-41 | 618 |
36" | 900 | 203 | 330 | 680 | 1765 | 1168 | 1085 | 1022 | M39 | 32-41 | 762 |
美标815L系
公称通径 | 结构长度 | 外形尺寸 | 连接尺寸 | 参考重量 | |||||
L | H | H0 | D1 | D2 | M | Z-d | |||
6" | 150 | 70 | 175 | 545 | 241.5 | 216 | M20 | 8-22 | 28 |
8" | 200 | 71 | 210 | 615 | 298.5 | 270 | M20 | 8-22 | 36 |
10" | 250 | 76 | 250 | 695 | 362 | 324 | M24 | 12-25 | 53 |
12" | 300 | 86 | 285 | 830 | 432 | 381 | M24 | 12-25 | 74 |
14" | 350 | 92 | 320 | 900 | 476 | 413 | M27 | 12-29 | 110 |
16" | 400 | 102 | 355 | 980 | 540 | 470 | M27 | 16-29 | 138 |
18" | 450 | 114 | 380 | 1030 | 578 | 533 | M30 | 16-32 | 180 |
20" | 500 | 127 | 415 | 1110 | 635 | 584 | M30 | 20-32 | 196 |
24" | 600 | 154 | 475 | 1305 | 749.5 | 692 | M33 | 20-35 | 400 |
30" | 750 | 165 | 580 | 1525 | 914 | 857 | M33 | 28-35 | 482 |
36" | 900 | 203 | 680 | 1765 | 1085 | 1022 | M39 | 32-41 | 488 |
美标830W系
公称通径 | 结构长度 | 外形尺寸 | 连接尺寸(标准值) | 参考重量(kg) | ||||||||
L | L1 | H | H0 | D | D1 | D2 | M | Z-d | ||||
2" | 50 | 43 | 108 | 110 | 345 | 165 | 127 | 92 | M18 | 8-19 | 9 | 20 |
3" | 80 | 49 | 114 | 125 | 380 | 210 | 168 | 127 | M20 | 8-22 | 12 | 29 |
4" | 100 | 56 | 127 | 145 | 415 | 254 | 200 | 157 | M20 | 8-22 | 13 | 35 |
5" | 125 | 64 | 140 | 165 | 455 | 279 | 235 | 186 | M20 | 8-22 | 18 | 40 |
6" | 150 | 70 | 140 | 175 | 545 | 318 | 270 | 216 | M20 | 12-22 | 28 | 81 |
8" | 200 | 71 | 150 | 210 | 645 | 381 | 330 | 270 | M24 | 12-26 | 37 | 94 |
10" | 250 | 76 | 160 | 250 | 695 | 445 | 387 | 324 | M27 | 16-29 | 56 | 158 |
12" | 300 | 86 | 178 | 285 | 830 | 521 | 451 | 381 | M30 | 16-32 | 79 | 183 |
14" | 350 | 92 | 190 | 320 | 900 | 584 | 514 | 413 | M30 | 20-32 | 116 | 239 |
16" | 400 | 102 | 216 | 355 | 980 | 648 | 571 | 470 | M33 | 20-35 | 146 | 302 |
18" | 450 | 114 | 222 | 380 | 1030 | 711 | 628 | 533 | M33 | 24-35 | 193 | 346 |
20" | 500 | 127 | 229 | 415 | 1110 | 775 | 686 | 584 | M33 | 24-35 | 209 | 434 |
24" | 600 | 154 | 267 | 475 | 1305 | 914 | 813 | 692 | M39 | 24-41 | 433 | 638 |
30" | 750 | 165 | 292 | 580 | 1525 | 1092 | 997 | 857 | M45 | 28-49 | 523 | 788 |
36" | 900 | 203 | 330 | 680 | 1765 | 1270 | 1168 | 1022 | M50 | 32-53 | 838 | 1146 |
美标830L系
公称通径 | 结构长度 | 外形尺寸 | 连接尺寸 | 参考重量(kg) | |||||
L | H | H0 | D1 | D2 | M | Z-d | |||
6" | 150 | 76 | 175 | 545 | 270 | 216 | M20 | 12-22 | 29 |
8" | 200 | 89 | 210 | 615 | 330 | 270 | M24 | 12-26 | 38 |
10" | 250 | 114 | 250 | 695 | 387 | 324 | M27 | 16-29 | 58 |
12" | 300 | 114 | 285 | 830 | 451 | 381 | M30 | 16-32 | 81 |
14" | 350 | 127 | 320 | 900 | 514 | 413 | M30 | 20-32 | 119 |
16" | 400 | 140 | 355 | 980 | 591 | 470 | M33 | 24-35 | 149 |
18" | 450 | 152 | 380 | 1030 | 628 | 533 | M33 | 24-35 | 198 |
20" | 500 | 152 | 415 | 1110 | 686 | 584 | M33 | 24-35 | 215 |
24" | 600 | 178 | 475 | 1305 | 813 | 692 | M39 | 24-41 | 436 |
30" | 750 | 229 | 580 | 1525 | 997 | 857 | M45 | 28-49 | 528 |
36" | 900 | 241 | 680 | 1765 | 1168 | 1022 | M50 | 32-52 | 843 |
良好的品质、优良的服务 奇高为你创造更多价值!
“奇高阀门”的期望,不断提升服务质量,精益求精,“真诚的服务”是“奇高”永恒的主题。“奇高”严格按照IS09001-2000 质量体系认证要求,质量严格把关, 责任到人,确保生产、销售、服务的健康运行。加强与用户沟通,竭诚为广大客户提供优良产品,贴心服务。特此我厂做出以下承诺:
产品标准:
产品严格按照中国GB、HG 标准和美国API等标准设计、制造、验收。密封面硬度达到国家规定要求,宽度超过国家标准。
售前服务:
产品介绍,技术交流,非标产品设计,疑难解答。
售中服务:
守信合同,及时供货,随时保持与客户联系。 对特殊或复制的产品,我厂安排技术人员对用户进行产品使用、故障排除
售后服务:
1、“奇高”牌产品品质期为自出厂起12个月,实行“三包”服务(包退、包换、保修)。
2、产品在使用中我厂定期组织技术、质检人员进行访问,征询用户对产品质量、 使用状况、改进意见等方面的反馈, 以便进一步提高产品质量。
3、对用户投诉质量问题,快速作出反应,售后服务人员在24-36小时(省外48小时)赶赴现场。
4、对售后服务,要求用户填写服务后的质量反馈信息表,并作出鉴定意见,以便提高奇高的服务质量。
1、客户如对产品有特殊要求,须在订货合同中提供以下说明:
a、结构长度;
b、连接形式;
c、公称直径、全通径、缩径、管道尺寸;
d、运行介质及温度、压力范围;
e、试验、检验标准及其他要求
2、本厂可根据客户特定要求配置各类驱动装置。
3、如由客户提供确定的阀门类型和型号时,客户应正确说明其型号的含义和要求,在供需双方理解一致的条件下签订合同。
4、期货、订货的客户请先来电函详细告诉所需的阀门型号、规格、数量以及交货时间、地点,并按总的30%预定金或全额货款及时汇入我厂帐户,其余货款待发货前汇入,以便及时安排发货。
订单流程:
1、客户采购清单传真至021-33872143,或来电咨询 021-33872141
2、收到客户采购清单,为客户提供阀门型号选型与报价(价格清单)。
3、具体商定:交货期、特殊要求等事宜。
订货须知:
1、客户如对产品有特殊要求,须在订货合同中提供以下说明:
|
|||||
|
|||||
2、本厂可根据客户特定要求配置各类驱动装置。
|
|||||
3、如由客户提供确定的阀门类型和型号时,客户应正确说明其型号的含义和要求,在供需双方理解一致的条件下签订合同。
|
|||||
4、期货、订货的客户请先来电函详细告诉所需的阀门型号、规格、数量以及交货时间、地点,并按总的30%预定金或全额货款及时汇入我厂账户, 其余货款待发货前汇入,以便及时安排发货。
|
售中服务:
守信合同,及时供货,随时保持与客户联系。
对特殊或复制的产品,我厂安排技术人员对用户进行产品使用、故障排除
售后服务:
1、“奇高”产品品质期为自出厂起12个月,实行“三包”服务(包退、包换、保修)。
2、产品在使用中我厂定期组织技术、质检人员进行访问,征询用户对产品质量、使用状况、改进意见等方面的反馈,
以便进一步提高产品质量。
3、对用户投诉质量问题,快速作出反应,售后服务人员在24-36小时(省外48小时)赶赴现场。
4、对售后服务,要求用户填写服务后的质量反馈信息表,并作出鉴定意见,以便提高“奇高”的服务质量。
声明 |
|


