UJ11H内螺纹柱塞阀
- 销售:021-32051999
- 销售:021-32050777
- 传真:021-66099555
详情介绍
- 产品介绍
- 服务承诺
- 订货流程
内螺纹柱塞阀是由阀体、阀盖、阀杆、柱塞、手轮等部件组成。当旋转手轮时,通过阀杆带动柱塞,使之在两个密封圈之间上下往复运动,完成阀门的开启和关闭。内螺纹柱塞阀由于密封圈采用新型非常金属材料制成(PTFE),具有经受长期高温、高压而不丧失弹性的性能,丝口柱塞阀而且柱塞与密封圈之间的接触面积大,再者,密封圈系混合材料性能好,因此,密封可靠,经久耐用。
内螺纹柱塞阀适用于冶金、消防、化工、建筑、化肥、轻工等行业中,压力为1.6-4.0Mpa,为250℃以下的水、气、油类等介质的管道。
性能规范
阀体材料 | 适用温度 | 适用介质 | 压力范围 |
铸钢 | ≤250℃ | 水、蒸汽、油品 | PN 1.6-6.4MPa |
铸铁 | ≤180℃ | 水、蒸汽、油品 | PNl.6 |
不锈钢 | ≤200℃ | 硝酸、醋酸 | 通径范围 |
含钼不锈钢 | ≤200℃ | 氮、氢、尿素等 | DNl15-300mm |
试验压力
试验项目 | 试验介质 | 试验压力 |
压强试验 | 水 | 1.5MPa |
高压密封试验 | 水 | 1.1 MPa |
低压气密封试验 | 气 | 0 5-0.7MPa |

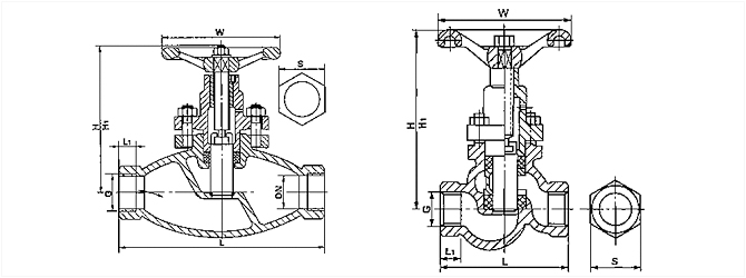
主要外形尺寸
公称通径 | U11SM、UJ11H-1.6 2.5 40 C.P.R 主要结构尺寸及外形尺寸 | |||||||
阀体长度 | 接头长度 | 接头长度 | 手轮直径 | 管螺纹 G | 关闭高度 | 开启高度 | 重量 | |
15 | 90 | 14 | 32 | 80 | 1/2 | 133 | 157 | 2.1 |
20 | 100 | 16 | 36 | 100 | 3/4 | 141 | 169 | 2.8 |
25 | 120 | 18 | 46 | 120 | 1 | 165 | 199 | 3.8 |
32 | 140 | 20 | 55 | 140 | 11/4 | 179 | 225 | 5.8 |
40 | 170 | 22 | 65 | 160 | 11/2 | 198 | 246 | 8.3 |
50 | 200 | 24 | 80 | 200 | 2 | 226 | 282 | 13.2 |
良好的品质、优良的服务 奇高为你创造更多价值!
“奇高阀门”的期望,不断提升服务质量,精益求精,“真诚的服务”是“奇高”永恒的主题。“奇高”严格按照IS09001-2000 质量体系认证要求,质量严格把关, 责任到人,确保生产、销售、服务的健康运行。加强与用户沟通,竭诚为广大客户提供优良产品,贴心服务。特此我厂做出以下承诺:
产品标准:
产品严格按照中国GB、HG 标准和美国API等标准设计、制造、验收。密封面硬度达到国家规定要求,宽度超过国家标准。
售前服务:
产品介绍,技术交流,非标产品设计,疑难解答。
售中服务:
守信合同,及时供货,随时保持与客户联系。 对特殊或复制的产品,我厂安排技术人员对用户进行产品使用、故障排除
售后服务:
1、“奇高”牌产品品质期为自出厂起12个月,实行“三包”服务(包退、包换、保修)。
2、产品在使用中我厂定期组织技术、质检人员进行访问,征询用户对产品质量、 使用状况、改进意见等方面的反馈, 以便进一步提高产品质量。
3、对用户投诉质量问题,快速作出反应,售后服务人员在24-36小时(省外48小时)赶赴现场。
4、对售后服务,要求用户填写服务后的质量反馈信息表,并作出鉴定意见,以便提高奇高的服务质量。
1、客户如对产品有特殊要求,须在订货合同中提供以下说明:
a、结构长度;
b、连接形式;
c、公称直径、全通径、缩径、管道尺寸;
d、运行介质及温度、压力范围;
e、试验、检验标准及其他要求
2、本厂可根据客户特定要求配置各类驱动装置。
3、如由客户提供确定的阀门类型和型号时,客户应正确说明其型号的含义和要求,在供需双方理解一致的条件下签订合同。
4、期货、订货的客户请先来电函详细告诉所需的阀门型号、规格、数量以及交货时间、地点,并按总的30%预定金或全额货款及时汇入我厂帐户,其余货款待发货前汇入,以便及时安排发货。
订单流程:
1、客户采购清单传真至021-33872143,或来电咨询 021-33872141
2、收到客户采购清单,为客户提供阀门型号选型与报价(价格清单)。
3、具体商定:交货期、特殊要求等事宜。
订货须知:
1、客户如对产品有特殊要求,须在订货合同中提供以下说明:
|
|||||
|
|||||
2、本厂可根据客户特定要求配置各类驱动装置。
|
|||||
3、如由客户提供确定的阀门类型和型号时,客户应正确说明其型号的含义和要求,在供需双方理解一致的条件下签订合同。
|
|||||
4、期货、订货的客户请先来电函详细告诉所需的阀门型号、规格、数量以及交货时间、地点,并按总的30%预定金或全额货款及时汇入我厂账户, 其余货款待发货前汇入,以便及时安排发货。
|
售中服务:
守信合同,及时供货,随时保持与客户联系。
对特殊或复制的产品,我厂安排技术人员对用户进行产品使用、故障排除
售后服务:
1、“奇高”产品品质期为自出厂起12个月,实行“三包”服务(包退、包换、保修)。
2、产品在使用中我厂定期组织技术、质检人员进行访问,征询用户对产品质量、使用状况、改进意见等方面的反馈,
以便进一步提高产品质量。
3、对用户投诉质量问题,快速作出反应,售后服务人员在24-36小时(省外48小时)赶赴现场。
4、对售后服务,要求用户填写服务后的质量反馈信息表,并作出鉴定意见,以便提高“奇高”的服务质量。
声明 |
|