GY叶轮给料机
- 销售:021-32051999
- 销售:021-32050777
- 传真:021-66099555
详情介绍
- 产品介绍
- 服务承诺
- 订货流程
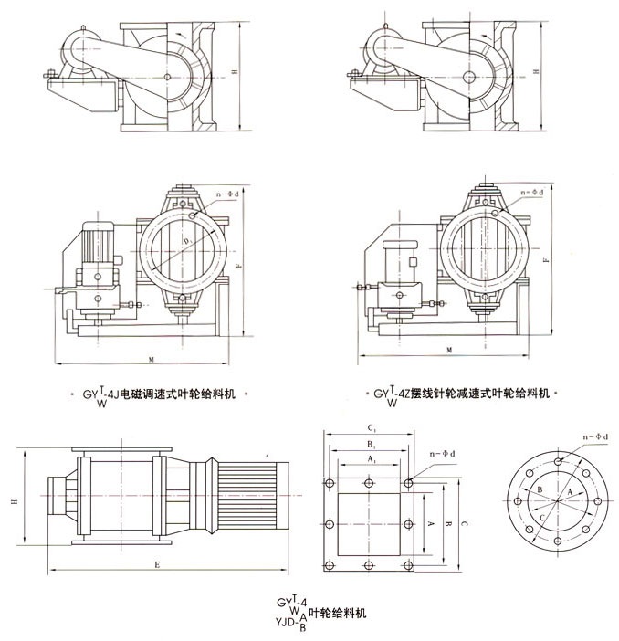
GY叶轮给料机又名星形卸灰阀、星形卸料阀、回转下料器。由阀体、传动轴、叶片和减速器等给成。减速电机带动传动轴和叶轮旋转,从而达到卸灰的目的。具有叶片耐磨性好、锁气性能高、卸料干净、连接平稳、构紧凑等特点弹性叶轮给料机采用弹性转子,密封性更好,保证均匀喂料。广泛应用于建材、冶金、化工、电力等部门作为各类除尘设备的卸料装置及各种磨机、烘干机、料仓等设备的给卸料装置。
主要性能参数
规格 | 圆形 | φ150 | φ200 | φ250 | φ300 | φ350 | φ400 | φ450 | φ500 | |
方形 | 150×150 | 200×200 | 200×300 | 300×300 | 300×400 | 400×400 | 450×500 | 500×500 | ||
GYT-4Z | 刚性 | 给料能力m3/h | 4-6 | 12 | 23 | 41 | 55 | 98 | 121 | 143 |
叶轮转速 | 34r/min | 25r/min | 21r/min | |||||||
弹性 | 给料能力m3/h | 2.1 | 3.6 | 9 | 15 | 23 | 30 | 48 | 66 | |
叶轮转速 | 34r/min | |||||||||
功率KW | 0.55 | 1.1 | 2.2 | 3 | ||||||
摆线针轮减速机型号 | ||||||||||
GYT-4J | 刚性 | 给料能力m3/h | 0.5~10 | 1~20 | 2~40 | 4~70 | 6~88 | 10~150 | 20~240 | 30~280 |
叶轮转速 | 6~60r/min | 6~40r/min | ||||||||
弹性 | 给料能力m3/h | 0.3~3 | 0.5~5 | 1.2~12 | 2~20 | 3~30 | 4~40 | 6~60 | 8~80 | |
叶轮转速 | 4~40r/min | |||||||||
功率KW | 0.55 | 1.1 | 2.2 | 3 | ||||||
电磁调速减速机型号 | YCT112-4A | YCT132-4A | YCT132-4A YCT132-4B | |||||||
YJD-A | 给料能力m3/h | 2-4 | 6 | 8~10 | 12~16 | 20 | 26 | 30 | 36~40 | |
叶轮转速 | 24r/min | |||||||||
功率KW | 0.55 | 1.1 | 2.2 | |||||||
电源电压 | 380V.AC 50HZ | |||||||||
适用介质和温度 | 粉壮或小颗粒状物料<80℃ <150℃ <250℃ | |||||||||

主要外形连接尺寸
GYW-4/GYT-4外形及连接尺寸(mm) | ||||||||||
A(A1) | B(B2) | C(C1) | n-φd | H | M | F | E | GYW-4 | GYW-4Z | GYW-4J |
φ150 | φ240 | φ210 | 8-φ11 | 230 | 720 | 600 | 520 | 40 | 250 | 270 |
φ200 | φ300 | φ260 | 8-φ11 | 300 | 800 | 700 | 570 | 75 | 275 | 295 |
φ250 | φ350 | φ310 | 8-φ13 | 340 | 850 | 750 | 660 | 100 | 320 | 340 |
φ300 | φ400 | φ360 | 8-φ17 | 400 | 900 | 800 | 730 | 155 | 380 | 400 |
φ350 | φ450 | φ410 | 8-φ17 | 450 | 960 | 860 | 780 | 1900 | 500 | 520 |
φ400 | φ500 | φ460 | 8-φ17 | 500 | 1020 | 920 | 820 | 240 | 700 | 720 |
φ450 | φ600 | φ560 | 8-φ17 | 600 | 1080 | 980 | 940 | 280 | 900 | 930 |
φ500 | φ710 | φ660 | 8-φ17 | 700 | 1140 | 1040 | 990 | 320 | 1100 | 1150 |
150×150 | 240×240 | 210×210 | 8-φ11 | 230 | 720 | 600 | 520 | 45 | 260 | 280 |
150×200 | 240×300 | 210×260 | 8-φ11 | 230 | 800 | 700 | 570 | 60 | 290 | 310 |
200×200 | 300×300 | 260×260 | 8-φ11 | 300 | 800 | 700 | 570 | 80 | 310 | 330 |
200×300 | 300×400 | 260×360 | 8-φ13 | 300 | 900 | 800 | 730 | 140 | 330 | 350 |
300×300 | 400×400 | 360×360 | 8-φ17 | 400 | 960 | 860 | 730 | 160 | 390 | 410 |
300×400 | 400×500 | 360×460 | 16-φ17 | 400 | 1020 | 920 | 820 | 220 | 510 | 530 |
400×400 | 500×500 | 460×460 | 16-φ17 | 500 | 1020 | 920 | 820 | 250 | 560 | 590 |
400×500 | 500×710 | 460×660 | 16-φ17 | 500 | 1140 | 1040 | 990 | 300 | 980 | 1020 |
500×500 | 710×710 | 660×660 | 16-φ17 | 700 | 1140 | 1040 | 990 | 350 | 1150 | 1200 |
YJD-A/YJD-B外形及连接尺寸(mm) | ||||||||||||
每转升 | A | B | C | A1 | B1 | C1 | H | M | F | E | 孔径直 | 重量(kg) |
2 | 150 | 200 | 240 | 150×150 | 200×200 | 240×240 | 240 | 120 | 120 | 500 | 8-9 | 40 |
4 | 180 | 240 | 280 | 180×180 | 230×230 | 260×260 | 280 | 140 | 140 | 530 | 8-11 | 60 |
6 | 200 | 260 | 300 | 200×200 | 250×250 | 280×280 | 300 | 150 | 150 | 550 | 8-11 | 75 |
8 | 220 | 280 | 320 | 220×220 | 270×270 | 300×300 | 320 | 160 | 160 | 580 | 8-11 | 80 |
10 | 240 | 300 | 340 | 240×240 | 290×290 | 320×320 | 340 | 170 | 170 | 600 | 8-13 | 100 |
12 | 260 | 320 | 360 | 260×260 | 310×310 | 340×340 | 360 | 180 | 180 | 620 | 8-13 | 115 |
14 | 280 | 340 | 380 | 280×280 | 330×330 | 360×360 | 380 | 190 | 190 | 640 | 8-17 | 130 |
16 | 300 | 360 | 400 | 300×300 | 350×350 | 380×380 | 400 | 200 | 200 | 670 | 8-17 | 150 |
18 | 320 | 380 | 420 | 320×320 | 370×370 | 400×400 | 420 | 210 | 210 | 690 | 8-17 | 165 |
20 | 340 | 400 | 440 | 340×340 | 390×390 | 420×420 | 440 | 220 | 220 | 710 | 8-17 | 190 |
26 | 400 | 460 | 500 | 400×400 | 450×450 | 480×480 | 500 | 250 | 250 | 770 | 8-17 | 230 |
30 | 440 | 500 | 540 | 440×440 | 490×490 | 520×520 | 540 | 270 | 270 | 820 | 8-17 | 280 |
36 | 500 | 560 | 600 | 500×500 | 550×550 | 580×580 | 600 | 300 | 300 | 950 | 8-20 | 320 |
40 | 540 | 600 | 640 | 540×540 | 590×590 | 620×620 | 640 | 320 | 320 | 990 | 8-20 | 400 |
良好的品质、优良的服务 奇高为你创造更多价值!
“奇高阀门”的期望,不断提升服务质量,精益求精,“真诚的服务”是“奇高”永恒的主题。“奇高”严格按照IS09001-2000 质量体系认证要求,质量严格把关, 责任到人,确保生产、销售、服务的健康运行。加强与用户沟通,竭诚为广大客户提供优良产品,贴心服务。特此我厂做出以下承诺:
产品标准:
产品严格按照中国GB、HG 标准和美国API等标准设计、制造、验收。密封面硬度达到国家规定要求,宽度超过国家标准。
售前服务:
产品介绍,技术交流,非标产品设计,疑难解答。
售中服务:
守信合同,及时供货,随时保持与客户联系。 对特殊或复制的产品,我厂安排技术人员对用户进行产品使用、故障排除
售后服务:
1、“奇高”牌产品品质期为自出厂起12个月,实行“三包”服务(包退、包换、保修)。
2、产品在使用中我厂定期组织技术、质检人员进行访问,征询用户对产品质量、 使用状况、改进意见等方面的反馈, 以便进一步提高产品质量。
3、对用户投诉质量问题,快速作出反应,售后服务人员在24-36小时(省外48小时)赶赴现场。
4、对售后服务,要求用户填写服务后的质量反馈信息表,并作出鉴定意见,以便提高奇高的服务质量。
1、客户如对产品有特殊要求,须在订货合同中提供以下说明:
a、结构长度;
b、连接形式;
c、公称直径、全通径、缩径、管道尺寸;
d、运行介质及温度、压力范围;
e、试验、检验标准及其他要求
2、本厂可根据客户特定要求配置各类驱动装置。
3、如由客户提供确定的阀门类型和型号时,客户应正确说明其型号的含义和要求,在供需双方理解一致的条件下签订合同。
4、期货、订货的客户请先来电函详细告诉所需的阀门型号、规格、数量以及交货时间、地点,并按总的30%预定金或全额货款及时汇入我厂帐户,其余货款待发货前汇入,以便及时安排发货。
订单流程:
1、客户采购清单传真至021-33872143,或来电咨询 021-33872141
2、收到客户采购清单,为客户提供阀门型号选型与报价(价格清单)。
3、具体商定:交货期、特殊要求等事宜。
订货须知:
1、客户如对产品有特殊要求,须在订货合同中提供以下说明:
|
|||||
|
|||||
2、本厂可根据客户特定要求配置各类驱动装置。
|
|||||
3、如由客户提供确定的阀门类型和型号时,客户应正确说明其型号的含义和要求,在供需双方理解一致的条件下签订合同。
|
|||||
4、期货、订货的客户请先来电函详细告诉所需的阀门型号、规格、数量以及交货时间、地点,并按总的30%预定金或全额货款及时汇入我厂账户, 其余货款待发货前汇入,以便及时安排发货。
|
售中服务:
守信合同,及时供货,随时保持与客户联系。
对特殊或复制的产品,我厂安排技术人员对用户进行产品使用、故障排除
售后服务:
1、“奇高”产品品质期为自出厂起12个月,实行“三包”服务(包退、包换、保修)。
2、产品在使用中我厂定期组织技术、质检人员进行访问,征询用户对产品质量、使用状况、改进意见等方面的反馈,
以便进一步提高产品质量。
3、对用户投诉质量问题,快速作出反应,售后服务人员在24-36小时(省外48小时)赶赴现场。
4、对售后服务,要求用户填写服务后的质量反馈信息表,并作出鉴定意见,以便提高“奇高”的服务质量。
声明 |
|