H44N天然气旋启式止回阀
- 销售:021-32051999
- 销售:021-32050777
- 传真:021-66099555
详情介绍
- 产品介绍
- 服务承诺
- 订货流程
H44N天然气旋启式止回阀采用内装摇臂旋启式结构,阀门的所有启闭件都装于阀体内部,不穿透阀体,除了中法兰部位用密封垫片和密封环外,整体没有外漏点,杜绝阀门外泄的可能。密封面采用弹性尼龙材料或聚四氟乙烯,提高了密封性能,避免因介质压力的冲击而所产生的静电火花。
主要用途
天然气旋启式止回阀作用是防止天然气、燃气、煤气、液化石油气管路中的介质倒流。可广泛适用于石油、化工、电力、冶金、商业服务等行业,特别适用于燃气生产、贮存、使用单位。
使用范围
通经范围:DN15~DN300
压力范围:1.6MPa~32.0MPa
温度范围:-20℃~200℃
介质范围:燃气、天然气、液化气、煤气等可燃易燃气体。
应用规范
设计与制造 | GB/T12235 | |
连接端尺寸 | 结构长度 | GB/T12221 |
法兰尺寸 | JB/T79 | |
检验与试验 | JB/T9092 | |
材料 | 碳钢 | GB/T12229 |
不锈钢 | GB/T12230 | |
合金钢 | Q/ZB66 | |
标志 | GB/T12220 | |
供货 | JB/T7928 | |
性能参数
公称压力PN | 2.5 | 4.0 | MPa |
壳体试验压力PT | 3.75 | 6.0 | |
高压密封试验压力 | 2.75 | 4.4 | |
适用介质 | 液化气、天然气等 | ||
适用温度 | -20∽+200℃ | ||
法兰连接标准 | JB/T 79-94 | ||

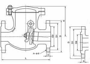
主要外形连接尺寸
公称通径DN | L | D | D1 | D2 | b | Z-Φd | H | WT(Kg) |
H44N-16C | ||||||||
50 | 230 | 160 | 125 | 100 | 16 | 4-Φ18 | 135 | 21 |
65 | 290 | 180 | 145 | 120 | 18 | 4-Φ18 | 142 | 28 |
80 | 310 | 195 | 160 | 135 | ||||
良好的品质、优良的服务 奇高为你创造更多价值!
“奇高阀门”的期望,不断提升服务质量,精益求精,“真诚的服务”是“奇高”永恒的主题。“奇高”严格按照IS09001-2000 质量体系认证要求,质量严格把关, 责任到人,确保生产、销售、服务的健康运行。加强与用户沟通,竭诚为广大客户提供优良产品,贴心服务。特此我厂做出以下承诺:
产品标准:
产品严格按照中国GB、HG 标准和美国API等标准设计、制造、验收。密封面硬度达到国家规定要求,宽度超过国家标准。
售前服务:
产品介绍,技术交流,非标产品设计,疑难解答。
售中服务:
守信合同,及时供货,随时保持与客户联系。 对特殊或复制的产品,我厂安排技术人员对用户进行产品使用、故障排除
售后服务:
1、“奇高”牌产品品质期为自出厂起12个月,实行“三包”服务(包退、包换、保修)。
2、产品在使用中我厂定期组织技术、质检人员进行访问,征询用户对产品质量、 使用状况、改进意见等方面的反馈, 以便进一步提高产品质量。
3、对用户投诉质量问题,快速作出反应,售后服务人员在24-36小时(省外48小时)赶赴现场。
4、对售后服务,要求用户填写服务后的质量反馈信息表,并作出鉴定意见,以便提高奇高的服务质量。
1、客户如对产品有特殊要求,须在订货合同中提供以下说明:
a、结构长度;
b、连接形式;
c、公称直径、全通径、缩径、管道尺寸;
d、运行介质及温度、压力范围;
e、试验、检验标准及其他要求
2、本厂可根据客户特定要求配置各类驱动装置。
3、如由客户提供确定的阀门类型和型号时,客户应正确说明其型号的含义和要求,在供需双方理解一致的条件下签订合同。
4、期货、订货的客户请先来电函详细告诉所需的阀门型号、规格、数量以及交货时间、地点,并按总的30%预定金或全额货款及时汇入我厂帐户,其余货款待发货前汇入,以便及时安排发货。
订单流程:
1、客户采购清单传真至021-33872143,或来电咨询 021-33872141
2、收到客户采购清单,为客户提供阀门型号选型与报价(价格清单)。
3、具体商定:交货期、特殊要求等事宜。
订货须知:
1、客户如对产品有特殊要求,须在订货合同中提供以下说明:
|
|||||
|
|||||
2、本厂可根据客户特定要求配置各类驱动装置。
|
|||||
3、如由客户提供确定的阀门类型和型号时,客户应正确说明其型号的含义和要求,在供需双方理解一致的条件下签订合同。
|
|||||
4、期货、订货的客户请先来电函详细告诉所需的阀门型号、规格、数量以及交货时间、地点,并按总的30%预定金或全额货款及时汇入我厂账户, 其余货款待发货前汇入,以便及时安排发货。
|
售中服务:
守信合同,及时供货,随时保持与客户联系。
对特殊或复制的产品,我厂安排技术人员对用户进行产品使用、故障排除
售后服务:
1、“奇高”产品品质期为自出厂起12个月,实行“三包”服务(包退、包换、保修)。
2、产品在使用中我厂定期组织技术、质检人员进行访问,征询用户对产品质量、使用状况、改进意见等方面的反馈,
以便进一步提高产品质量。
3、对用户投诉质量问题,快速作出反应,售后服务人员在24-36小时(省外48小时)赶赴现场。
4、对售后服务,要求用户填写服务后的质量反馈信息表,并作出鉴定意见,以便提高“奇高”的服务质量。
声明 |
|