PZ573H伞齿轮对夹式刀型闸阀
- 销售:021-32051999
- 销售:021-32050777
- 传真:021-66099555
详情介绍
- 产品介绍
- 服务承诺
- 订货流程
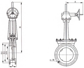
PZ573H伞齿轮对夹式刀型闸阀为伞齿轮驱动,操作轻松灵活,常用于较大口径或较高压力场合人工手动操作。

主要外形及连接尺寸(mm)
MPa | DN | L | D1 | D2 | H | n-M | MPa | DN | L | D1 | D2 | H | n-M |
0.6 | 50 | 43 | 90 | 110 | 475 | 4-M12 | 1.0 | 50 | 43 | 100 | 125 | 475 | 4-M16 |
65 | 46 | 110 | 130 | 500 | 4-M12 | 65 | 46 | 120 | 145 | 500 | 4-M16 | ||
80 | 46 | 125 | 150 | 535 | 4-M16 | 80 | 46 | 135 | 160 | 535 | 4-M16 | ||
100 | 52 | 145 | 170 | 605 | 4-M16 | 100 | 52 | 155 | 180 | 605 | 8-M16 | ||
125 | 56 | 175 | 200 | 665 | 8-M16 | 125 | 56 | 185 | 210 | 665 | 8-M16 | ||
150 | 56 | 200 | 225 | 765 | 8-M16 | 150 | 56 | 210 | 240 | 765 | 8-M20 | ||
200 | 60 | 255 | 280 | 880 | 8-M16 | 200 | 60 | 265 | 295 | 880 | 8-M20 | ||
250 | 68 | 310 | 335 | 1020 | 12-M16 | 250 | 68 | 320 | 350 | 1020 | 12-M20 | ||
300 | 78 | 362 | 395 | 1220 | 12-M20 | 300 | 78 | 368 | 400 | 1220 | 12-M20 | ||
350 | 78 | 412 | 445 | 1375 | 12-M20 | 350 | 78 | 428 | 460 | 1375 | 16-M20 | ||
400 | 102 | 462 | 495 | 1560 | 16-M20 | 400 | 102 | 482 | 515 | 1560 | 16-M22 | ||
450 | 114 | 518 | 550 | 1720 | 16-M20 | 450 | 114 | 532 | 565 | 1720 | 20-M22 | ||
500 | 127 | 568 | 600 | 1870 | 16-M20 | 500 | 127 | 585 | 620 | 1870 | 20-M22 | ||
600 | 154 | 670 | 705 | 2220 | 20-M22 | 600 | 154 | 685 | 725 | 2220 | 20-M27 | ||
700 | 165 | 775 | 810 | 2570 | 24-M22 | 700 | 165 | 800 | 840 | 2570 | 24-M27 | ||
800 | 190 | 880 | 920 | 3030 | 24-M27 | 800 | 190 | 898 | 950 | 3030 | 24-M30 | ||
900 | 203 | 980 | 1020 | 3430 | 24-M27 | 900 | 203 | 1005 | 1050 | 3430 | 28-M30 | ||
1000 | 216 | 1080 | 1120 | 3470 | 28-M27 | 1000 | 216 | 1110 | 1160 | 3470 | 28-M30 | ||
1200 | 254 | 1295 | 1340 | 4230 | 32-M30 | 1200 | 254 | 1325 | 1380 | 4230 | 32-M36 |
良好的品质、优良的服务 奇高为你创造更多价值!
“奇高阀门”的期望,不断提升服务质量,精益求精,“真诚的服务”是“奇高”永恒的主题。“奇高”严格按照IS09001-2000 质量体系认证要求,质量严格把关, 责任到人,确保生产、销售、服务的健康运行。加强与用户沟通,竭诚为广大客户提供优良产品,贴心服务。特此我厂做出以下承诺:
产品标准:
产品严格按照中国GB、HG 标准和美国API等标准设计、制造、验收。密封面硬度达到国家规定要求,宽度超过国家标准。
售前服务:
产品介绍,技术交流,非标产品设计,疑难解答。
售中服务:
守信合同,及时供货,随时保持与客户联系。 对特殊或复制的产品,我厂安排技术人员对用户进行产品使用、故障排除
售后服务:
1、“奇高”牌产品品质期为自出厂起12个月,实行“三包”服务(包退、包换、保修)。
2、产品在使用中我厂定期组织技术、质检人员进行访问,征询用户对产品质量、 使用状况、改进意见等方面的反馈, 以便进一步提高产品质量。
3、对用户投诉质量问题,快速作出反应,售后服务人员在24-36小时(省外48小时)赶赴现场。
4、对售后服务,要求用户填写服务后的质量反馈信息表,并作出鉴定意见,以便提高奇高的服务质量。
1、客户如对产品有特殊要求,须在订货合同中提供以下说明:
a、结构长度;
b、连接形式;
c、公称直径、全通径、缩径、管道尺寸;
d、运行介质及温度、压力范围;
e、试验、检验标准及其他要求
2、本厂可根据客户特定要求配置各类驱动装置。
3、如由客户提供确定的阀门类型和型号时,客户应正确说明其型号的含义和要求,在供需双方理解一致的条件下签订合同。
4、期货、订货的客户请先来电函详细告诉所需的阀门型号、规格、数量以及交货时间、地点,并按总的30%预定金或全额货款及时汇入我厂帐户,其余货款待发货前汇入,以便及时安排发货。
订单流程:
1、客户采购清单传真至021-33872143,或来电咨询 021-33872141
2、收到客户采购清单,为客户提供阀门型号选型与报价(价格清单)。
3、具体商定:交货期、特殊要求等事宜。
订货须知:
1、客户如对产品有特殊要求,须在订货合同中提供以下说明:
|
|||||
|
|||||
2、本厂可根据客户特定要求配置各类驱动装置。
|
|||||
3、如由客户提供确定的阀门类型和型号时,客户应正确说明其型号的含义和要求,在供需双方理解一致的条件下签订合同。
|
|||||
4、期货、订货的客户请先来电函详细告诉所需的阀门型号、规格、数量以及交货时间、地点,并按总的30%预定金或全额货款及时汇入我厂账户, 其余货款待发货前汇入,以便及时安排发货。
|
售中服务:
守信合同,及时供货,随时保持与客户联系。
对特殊或复制的产品,我厂安排技术人员对用户进行产品使用、故障排除
售后服务:
1、“奇高”产品品质期为自出厂起12个月,实行“三包”服务(包退、包换、保修)。
2、产品在使用中我厂定期组织技术、质检人员进行访问,征询用户对产品质量、使用状况、改进意见等方面的反馈,
以便进一步提高产品质量。
3、对用户投诉质量问题,快速作出反应,售后服务人员在24-36小时(省外48小时)赶赴现场。
4、对售后服务,要求用户填写服务后的质量反馈信息表,并作出鉴定意见,以便提高“奇高”的服务质量。
声明 |
|