ZCZP通用电磁阀
- 销售:021-32051999
- 销售:021-32050777
- 传真:021-66099555
详情介绍
- 产品介绍
- 服务承诺
- 订货流程
ZCZP通用电磁阀适用于以蒸汽为加热介质,进行温度自动控制的执行机构。可对蒸汽加热器、散热器、干燥器等蒸汽设备及各类温度自控仪、蒸汽定型机、蒸汽机、蒸汽回潮机等成套设备的锅炉蒸汽管道进行二位式自动控制和远程控制。广泛应用于染化、纺织、印染、食品、医药、卷烟、水泥制品、石油化工、冶金等部门的自控系统。
结构特点
1.耐热:电磁部分、密封件部分用特种耐高温电工材料和密封材料,并应用了各种隔热措施。
2.耐磨:选材合理,阀杯和导向套间巧妙地利用流体的滑润作用,减少磨损。
3.耐冷凝:蒸汽管道的冷凝水是影响蒸汽电磁阀动作的重要因素,本阀则不受冷凝水影响。
结构原理
本阀是有副阀和主阀两大部件构成的先导式二次开阔的电磁阀。是靠副阀的启闭来控制主阀的通断。根据断电时所处开关状态的不同,可分为常闭电磁阀和常开电磁阀。常闭电磁阀,在段点常位时,副阀口封闭,主阀呈断路,当电讯号进入导阀线圈时,活动铁芯受电磁力作用吸上打开副阀口,主阀阀杯内压力导速消失,介质压力将主阀阀杯托上,开启主阀,工作介质便可流通。但当电讯号消失时,活动铁芯复位,封闭住副阀口,工作介质自平衡孔进入阀内,当压力趋于平衡时,靠主阀弹簧,阀杯自重及介质压力使阀杯下移,严密封住主阀口,阀有呈封闭状态。常开电磁阀,在断电常位时,有弹簧作用,副阀口打开,主阀流通。当电讯号进入副阀线圈时,活动铁芯受电磁作应吸下,当压力趋于平衡时,靠主阀弹簧、阀杯自重及介质压力使阀杯下移,严密封住阀口,阀门呈关闭状态。当主阀断电时,电磁力消失,副阀找开,主阀杯内压力迅速消失,介质压力将主阀阀杯托上,开启主阀口,介质流通,阀呈开启状态。
型号说明

主要技术参数
介质种类 | 蒸汽、常温液体、气体等、高温液体、气体 | ||||||||||||||
介质温度(℃) | ≤200 | ||||||||||||||
工称压力(Mpa) | 1.6 | ||||||||||||||
电源电压 | AC220V·DC24V其余规格可作特殊订货 | ||||||||||||||
公称通径(mm) | 15 | 20 | 25 | 32 | 40 | 50 | 65 | 80 | 100 | 125 | 150 | 200 | 250 | 300 | 350 |
流量系数 Kv值 | 2.8 | 5 | 8.5 | 12 | 18 | 28 | 45 | 70 | 110 | 180 | 250 | 600 | 870 | 1000 | 1320 |
工作压力(Mpa) | 0.04~1.6 | 0.1~1.6 | |||||||||||||
功率 VA | 40 30 | 50 | |||||||||||||
阀体材质 | 铸钢和不锈钢 | ||||||||||||||

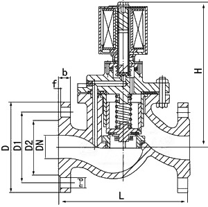
主要外形尺寸
公称通径 | 内螺纹连接 | 法兰连接 | |||||||||
内螺纹 | 外形尺寸 | 外形尺寸 | 法兰尺寸 | ||||||||
G | H | L | H | L | D | D1 | D2 | n-d | b | f | |
15 | 1/2 | 148 | 92 | 176 | 130 | 95 | 65 | 46 | 4-Ø14 | 14 | 2 |
20 | 3/4 | 148 | 92 | 181 | 150 | 105 | 75 | 56 | 4-Ø14 | 16 | 2 |
25 | 1 | 148 | 110 | 210 | 160 | 115 | 85 | 65 | 4-Ø14 | 16 | 3 |
32 | 1 1/4 | 182 | 120 | 221 | 180 | 140 | 100 | 76 | 4-Ø18 | 18 | 3 |
40 | 1 1/2 | 182 | 140 | 230 | 200 | 150 | 110 | 84 | 4-Ø18 | 18 | 3 |
50 | 2″ | 192 | 162 | 252 | 230 | 165 | 125 | 99 | 4-Ø18 | 20 | 3 |
65 | 260 | 290 | 185 | 145 | 118 | 4-φ18 | 20 | 3 | |||
80 | 260 | 310 | 200 | 160 | 132 | 4-φ18 | 20 | 3 | |||
100 | 290 | 350 | 220 | 180 | 156 | 4-φ18 | 22 | 3 | |||
125 | 365 | 400 | 250 | 210 | 184 | 4-φ18 | 22 | 3 | |||
150 | 400 | 480 | 285 | 240 | 211 | 4-φ22 | 24 | 3 | |||
200 | 443 | 600 | 340 | 295 | 266 | 4-φ26 | 24 | 3 | |||
250 | 493 | 750 | 395 | 350 | 319 | 4-φ26 | 26 | 4 | |||
300 | 549 | 850 | 445 | 400 | 370 | 4-φ26 | 28 | 4 | |||
350 | 600 | 980 | 520 | 470 | 429 | 4-φ26 | 30 | 4 | |||
良好的品质、优良的服务 奇高为你创造更多价值!
“奇高阀门”的期望,不断提升服务质量,精益求精,“真诚的服务”是“奇高”永恒的主题。“奇高”严格按照IS09001-2000 质量体系认证要求,质量严格把关, 责任到人,确保生产、销售、服务的健康运行。加强与用户沟通,竭诚为广大客户提供优良产品,贴心服务。特此我厂做出以下承诺:
产品标准:
产品严格按照中国GB、HG 标准和美国API等标准设计、制造、验收。密封面硬度达到国家规定要求,宽度超过国家标准。
售前服务:
产品介绍,技术交流,非标产品设计,疑难解答。
售中服务:
守信合同,及时供货,随时保持与客户联系。 对特殊或复制的产品,我厂安排技术人员对用户进行产品使用、故障排除
售后服务:
1、“奇高”牌产品品质期为自出厂起12个月,实行“三包”服务(包退、包换、保修)。
2、产品在使用中我厂定期组织技术、质检人员进行访问,征询用户对产品质量、 使用状况、改进意见等方面的反馈, 以便进一步提高产品质量。
3、对用户投诉质量问题,快速作出反应,售后服务人员在24-36小时(省外48小时)赶赴现场。
4、对售后服务,要求用户填写服务后的质量反馈信息表,并作出鉴定意见,以便提高奇高的服务质量。
1、客户如对产品有特殊要求,须在订货合同中提供以下说明:
a、结构长度;
b、连接形式;
c、公称直径、全通径、缩径、管道尺寸;
d、运行介质及温度、压力范围;
e、试验、检验标准及其他要求
2、本厂可根据客户特定要求配置各类驱动装置。
3、如由客户提供确定的阀门类型和型号时,客户应正确说明其型号的含义和要求,在供需双方理解一致的条件下签订合同。
4、期货、订货的客户请先来电函详细告诉所需的阀门型号、规格、数量以及交货时间、地点,并按总的30%预定金或全额货款及时汇入我厂帐户,其余货款待发货前汇入,以便及时安排发货。
订单流程:
1、客户采购清单传真至021-33872143,或来电咨询 021-33872141
2、收到客户采购清单,为客户提供阀门型号选型与报价(价格清单)。
3、具体商定:交货期、特殊要求等事宜。
订货须知:
1、客户如对产品有特殊要求,须在订货合同中提供以下说明:
|
|||||
|
|||||
2、本厂可根据客户特定要求配置各类驱动装置。
|
|||||
3、如由客户提供确定的阀门类型和型号时,客户应正确说明其型号的含义和要求,在供需双方理解一致的条件下签订合同。
|
|||||
4、期货、订货的客户请先来电函详细告诉所需的阀门型号、规格、数量以及交货时间、地点,并按总的30%预定金或全额货款及时汇入我厂账户, 其余货款待发货前汇入,以便及时安排发货。
|
售中服务:
守信合同,及时供货,随时保持与客户联系。
对特殊或复制的产品,我厂安排技术人员对用户进行产品使用、故障排除
售后服务:
1、“奇高”产品品质期为自出厂起12个月,实行“三包”服务(包退、包换、保修)。
2、产品在使用中我厂定期组织技术、质检人员进行访问,征询用户对产品质量、使用状况、改进意见等方面的反馈,
以便进一步提高产品质量。
3、对用户投诉质量问题,快速作出反应,售后服务人员在24-36小时(省外48小时)赶赴现场。
4、对售后服务,要求用户填写服务后的质量反馈信息表,并作出鉴定意见,以便提高“奇高”的服务质量。
声明 |
|