A47H带扳手弹簧微启式安全阀
- 销售:021-32051999
- 销售:021-32050777
- 传真:021-66099555
详情介绍
- 产品介绍
- 服务承诺
- 订货流程
A47H带扳手弹簧微启式安全阀适用于工作温度≤350℃的蒸汽、空气等介质的设备或管路上,作为超压保护装置。
应用范围
适用于工作温度≤350℃的蒸汽、空气等介质
标准规范
设计制造标准:
结构长度标准:GB/T 12221-2005
连接法兰标准:GB/T 9113
压力温度等级:GB/T 12224-2005
试验检验标准:GB/T 13927-2008
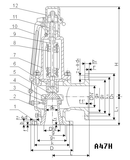
主要零件材料
NO | 零件名称 | 材料 |
1 | 阀体 | WCB |
2 | 阀座 | ZG2Cr13 |
3 | 调节圈 | ZG2Cr13 |
4 | 反冲盘 | ZG2Cr13 |
5 | 阀瓣 | 2Cr13 |
6 | 导向套 | 2Cr13 |
7 | 阀盖 | ZG230-450 |
8 | 弹簧 | 50CrVA |
9 | 阀杆 | 2Cr13 |
10 | 扳手 | ZG200-400 |
11 | 调整螺杆 | 45 |
12 | 保护罩 | ZG200-400 |
密封面材料 | "H"堆焊D507,"Y"堆焊Co基硬质合金 |

主要外形尺寸
型号 | 公称通径 | do | D | K | g | g1 | b | f | f1 | Z-ød | DN’ | D1 | K1 | g2 | g’ | b1 | f’ | f1’ | Z1-ød1 | L | L1 | ≈H |
A47H-16C | 20 | 15 | 105 | 75 | / | 55 | 16 | 2 | / | 4-14 | 20 | 105 | 75 | 55 | / | 16 | 2 | / | 4-14 | 100 | 85 | 270 |
25 | 20 | 115 | 85 | / | 65 | 16 | 2 | / | 4-14 | 25 | 115 | 85 | 65 | / | 16 | 2 | / | 4-14 | 100 | 85 | 270 | |
32 | 25 | 140 | 100 | / | 78 | 18 | 2 | / | 4-18 | 32 | 140 | 100 | 78 | / | 18 | 2 | / | 4-18 | 115 | 100 | 312 | |
40 | 32 | 150 | 110 | / | 85 | 18 | 3 | / | 4-18 | 40 | 150 | 110 | 85 | / | 18 | 3 | / | 4-18 | 120 | 110 | 320 | |
50 | 40 | 165 | 125 | / | 100 | 20 | 3 | / | 4-18 | 50 | 165 | 125 | 100 | / | 20 | 3 | / | 4-18 | 135 | 120 | 390 | |
65 | 50 | 185 | 145 | / | 120 | 20 | 3 | / | 4-18 | 65 | 185 | 145 | 120 | / | 20 | 3 | / | 4-18 | 140 | 130 | 395 | |
80 | 65 | 200 | 160 | / | 135 | 20 | 3 | / | 8-18 | 80 | 200 | 160 | 135 | / | 20 | 3 | / | 8-18 | 160 | 135 | 400 | |
100 | 80 | 220 | 180 | / | 155 | 22 | 3 | / | 8-18 | 100 | 220 | 180 | 155 | / | 22 | 3 | / | 8-18 | 170 | 160 | 600 | |
125 | 100 | 250 | 210 | / | 185 | 22 | 3 | / | 8-18 | 125 | 250 | 210 | 185 | / | 22 | 3 | / | 8-18 | 190 | 190 | 620 | |
150 | 125 | 285 | 240 | / | 210 | 24 | 3 | / | 8-23 | 150 | 285 | 240 | 210 | / | 24 | 3 | / | 8-23 | 205 | 195 | 625 | |
200 | 150 | 340 | 295 | / | 265 | 26 | 3 | / | 12-23 | 200 | 340 | 295 | 265 | / | 26 | 3 | / | 12-23 | 240 | 230 | 798 | |
250 | 200 | 405 | 355 | / | 320 | 30 | 3 | / | 12-26 | 250 | 405 | 355 | 320 | / | 30 | 3 | / | 12-26 | 350 | 320 | 981 | |
300 | 250 | 460 | 410 | / | 375 | 30 | 4 | / | 12-26 | 300 | 460 | 410 | 375 | / | 30 | 4 | / | 12-26 | 350 | 320 | 1005 | |
A47H-25 | 20 | 15 | 105 | 75 | / | 55 | 16 | 2 | / | 4-14 | 20 | 105 | 75 | 55 | / | 16 | 2 | / | 4-14 | 100 | 85 | 270 |
25 | 20 | 115 | 85 | / | 65 | 16 | 2 | / | 4-14 | 25 | 115 | 85 | 65 | / | 16 | 2 | / | 4-14 | 100 | 85 | 270 | |
32 | 25 | 140 | 100 | / | 78 | 18 | 2 | / | 4-18 | 32 | 140 | 100 | 78 | / | 18 | 2 | / | 4-18 | 115 | 100 | 312 | |
40 | 32 | 150 | 110 | / | 85 | 18 | 3 | / | 4-18 | 40 | 150 | 110 | 85 | / | 18 | 3 | / | 4-18 | 120 | 110 | 320 | |
50 | 40 | 165 | 125 | / | 100 | 20 | 3 | / | 4-18 | 50 | 165 | 125 | 100 | / | 20 | 3 | / | 4-18 | 135 | 120 | 390 | |
65 | 50 | 185 | 145 | / | 120 | 22 | 3 | / | 8-18 | 65 | 185 | 145 | 120 | / | 20 | 3 | / | 4-18 | 140 | 130 | 395 | |
80 | 65 | 200 | 160 | / | 135 | 24 | 3 | / | 8-18 | 80 | 200 | 160 | 135 | / | 20 | 3 | / | 8-18 | 160 | 135 | 400 | |
100 | 80 | 230 | 190 | / | 160 | 24 | 3 | / | 8-23 | 100 | 220 | 180 | 155 | / | 20 | 3 | / | 8-18 | 170 | 160 | 600 | |
125 | 100 | 270 | 220 | / | 188 | 28 | 3 | / | 8-26 | 125 | 250 | 210 | 185 | / | 22 | 3 | / | 8-18 | 190 | 190 | 620 | |
150 | 125 | 300 | 250 | / | 218 | 30 | 3 | / | 8-26 | 150 | 285 | 240 | 210 | / | 24 | 3 | / | 8-23 | 205 | 195 | 625 | |
200 | 150 | 360 | 310 | / | 278 | 34 | 3 | / | 12-26 | 200 | 340 | 295 | 265 | / | 26 | 3 | / | 12-23 | 240 | 230 | 798 | |
250 | 200 | 425 | 370 | / | 332 | 36 | 3 | / | 12-30 | 250 | 405 | 355 | 320 | / | 30 | 3 | / | 12-26 | 350 | 320 | 981 | |
300 | 250 | 485 | 430 | / | 390 | 40 | 4 | / | 16-30 | 300 | 460 | 410 | 375 | / | 30 | 4 | / | 12-26 | 350 | 320 | 1005 | |
A47H-40 | 20 | 15 | 105 | 75 | 51 | 55 | 16 | 2 | 4 | 4-14 | 20 | 105 | 75 | 55 | / | 16 | 2 | / | 4-14 | 100 | 85 | 270 |
25 | 20 | 115 | 85 | 58 | 65 | 16 | 2 | 4 | 4-14 | 25 | 115 | 85 | 65 | / | 16 | 2 | / | 4-14 | 100 | 85 | 270 | |
32 | 25 | 140 | 100 | 66 | 78 | 18 | 2 | 4 | 4-18 | 32 | 140 | 100 | 78 | / | 18 | 2 | / | 4-18 | 115 | 100 | 312 | |
40 | 32 | 150 | 110 | 76 | 85 | 18 | 3 | 4 | 4-18 | 40 | 150 | 110 | 85 | / | 18 | 3 | / | 4-18 | 120 | 110 | 320 | |
50 | 40 | 165 | 125 | 88 | 100 | 20 | 3 | 4 | 4-18 | 50 | 165 | 125 | 100 | / | 20 | 3 | / | 4-18 | 135 | 120 | 390 | |
65 | 50 | 185 | 145 | 110 | 120 | 22 | 3 | 4 | 8-18 | 65 | 185 | 145 | 120 | / | 20 | 3 | / | 4-18 | 140 | 130 | 395 | |
80 | 65 | 200 | 160 | 121 | 135 | 22 | 3 | 4 | 8-18 | 80 | 200 | 160 | 135 | / | 20 | 3 | / | 8-18 | 160 | 135 | 400 | |
100 | 80 | 235 | 190 | 150 | 160 | 24 | 3 | 4.5 | 8-23 | 100 | 220 | 180 | 155 | / | 22 | 3 | / | 8-18 | 170 | 160 | 600 | |
125 | 100 | 270 | 220 | 176 | 188 | 28 | 3 | 4.5 | 8-26 | 125 | 250 | 210 | 185 | / | 22 | 3 | / | 8-18 | 190 | 190 | 620 | |
150 | 125 | 300 | 250 | 204 | 218 | 30 | 3 | 4.5 | 8-26 | 150 | 285 | 240 | 210 | / | 24 | 3 | / | 8-23 | 205 | 195 | 625 | |
200 | 150 | 375 | 320 | 260 | 282 | 38 | 3 | 4.5 | 12-30 | 200 | 340 | 295 | 265 | / | 26 | 3 | / | 12-23 | 240 | 230 | 798 | |
250 | 200 | 450 | 385 | 313 | 345 | 42 | 3 | 4.5 | 12-34 | 250 | 405 | 355 | 320 | / | 30 | 3 | / | 12-26 | 350 | 320 | 981 | |
300 | 250 | 515 | 450 | 364 | 408 | 46 | 4 | 4.5 | 16-34 | 300 | 460 | 410 | 375 | / | 30 | 4 | / | 12-26 | 350 | 320 | 1005 | |
A47H-64 A47Y-64 | 20 | 15 | 130 | 90 | 51 | 68 | 20 | 2 | 4 | 4-18 | 20 | 105 | 75 | 55 | 51 | 16 | 2 | 4 | 4-14 | 100 | 95 | 301 |
25 | 20 | 140 | 100 | 58 | 78 | 22 | 2 | 4 | 4-18 | 25 | 115 | 85 | 65 | 58 | 16 | 2 | 4 | 4-14 | 100 | 95 | 301 | |
32 | 25 | 155 | 110 | 66 | 82 | 24 | 2 | 4 | 4-23 | 32 | 140 | 100 | 78 | 66 | 18 | 2 | 4 | 4-18 | 115 | 105 | 312 | |
40 | 32 | 170 | 125 | 76 | 95 | 24 | 3 | 4 | 4-23 | 40 | 150 | 110 | 85 | 76 | 18 | 3 | 4 | 4-18 | 135 | 115 | 366 | |
50 | 40 | 180 | 135 | 88 | 105 | 26 | 3 | 4 | 4-23 | 50 | 165 | 125 | 100 | 88 | 20 | 3 | 4 | 4-18 | 160 | 125 | 396 | |
65 | 50 | 205 | 160 | 110 | 130 | 28 | 3 | 4 | 8-23 | 65 | 185 | 145 | 120 | 110 | 22 | 3 | 4 | 8-18 | 175 | 160 | 570 | |
80 | 65 | 215 | 170 | 121 | 140 | 30 | 3 | 4 | 8-23 | 80 | 200 | 160 | 135 | 121 | 22 | 3 | 4 | 8-18 | 175 | 160 | 565 | |
100 | 80 | 250 | 200 | 150 | 168 | 32 | 3 | 4.5 | 8-26 | 100 | 235 | 190 | 160 | 150 | 24 | 3 | 4.5 | 8-23 | 190 | 180 | 597 | |
150 | 100 | 345 | 280 | 204 | 240 | 38 | 3 | 4.5 | 8-34 | 150 | 300 | 250 | 218 | 204 | 30 | 3 | 4.5 | 8-26 | 280 | 260 | 738 | |
A47H-100 | 20 | 15 | 130 | 90 | 51 | 68 | 22 | 2 | 4 | 4-18 | 20 | 105 | 75 | 55 | 51 | 16 | 2 | 4 | 4-14 | 100 | 95 | 301 |
25 | 20 | 140 | 100 | 58 | 78 | 24 | 2 | 4 | 4-18 | 25 | 115 | 85 | 65 | 58 | 16 | 2 | 4 | 4-14 | 100 | 95 | 301 | |
32 | 25 | 155 | 110 | 66 | 82 | 24 | 2 | 4 | 4-23 | 32 | 140 | 100 | 78 | 66 | 18 | 2 | 4 | 4-18 | 115 | 105 | 312 | |
40 | 32 | 170 | 125 | 76 | 95 | 26 | 3 | 4 | 4-23 | 40 | 150 | 110 | 85 | 76 | 18 | 3 | 4 | 4-18 | 135 | 115 | 366 | |
50 | 40 | 195 | 145 | 88 | 112 | 28 | 3 | 4 | 4-26 | 50 | 165 | 125 | 100 | 88 | 20 | 3 | 4 | 4-18 | 160 | 125 | 396 | |
65 | 50 | 220 | 170 | 110 | 138 | 32 | 3 | 4 | 8-26 | 65 | 185 | 145 | 120 | 110 | 22 | 3 | 4 | 8-18 | 175 | 160 | 570 | |
80 | 65 | 230 | 180 | 121 | 148 | 34 | 3 | 4 | 8-26 | 80 | 200 | 160 | 135 | 121 | 22 | 3 | 4 | 8-18 | 175 | 160 | 565 | |
100 | 80 | 265 | 210 | 150 | 172 | 38 | 3 | 4.5 | 8-30 | 100 | 235 | 190 | 160 | 150 | 24 | 3 | 4.5 | 8-23 | 190 | 180 | 597 | |
150 | 100 | 355 | 290 | 204 | 250 | 46 | 3 | 4.5 | 12-34 | 150 | 300 | 250 | 218 | 204 | 30 | 3 | 4.5 | 8-26 | 280 | 260 | 738 |
良好的品质、优良的服务 奇高为你创造更多价值!
“奇高阀门”的期望,不断提升服务质量,精益求精,“真诚的服务”是“奇高”永恒的主题。“奇高”严格按照IS09001-2000 质量体系认证要求,质量严格把关, 责任到人,确保生产、销售、服务的健康运行。加强与用户沟通,竭诚为广大客户提供优良产品,贴心服务。特此我厂做出以下承诺:
产品标准:
产品严格按照中国GB、HG 标准和美国API等标准设计、制造、验收。密封面硬度达到国家规定要求,宽度超过国家标准。
售前服务:
产品介绍,技术交流,非标产品设计,疑难解答。
售中服务:
守信合同,及时供货,随时保持与客户联系。 对特殊或复制的产品,我厂安排技术人员对用户进行产品使用、故障排除
售后服务:
1、“奇高”牌产品品质期为自出厂起12个月,实行“三包”服务(包退、包换、保修)。
2、产品在使用中我厂定期组织技术、质检人员进行访问,征询用户对产品质量、 使用状况、改进意见等方面的反馈, 以便进一步提高产品质量。
3、对用户投诉质量问题,快速作出反应,售后服务人员在24-36小时(省外48小时)赶赴现场。
4、对售后服务,要求用户填写服务后的质量反馈信息表,并作出鉴定意见,以便提高奇高的服务质量。
1、客户如对产品有特殊要求,须在订货合同中提供以下说明:
a、结构长度;
b、连接形式;
c、公称直径、全通径、缩径、管道尺寸;
d、运行介质及温度、压力范围;
e、试验、检验标准及其他要求
2、本厂可根据客户特定要求配置各类驱动装置。
3、如由客户提供确定的阀门类型和型号时,客户应正确说明其型号的含义和要求,在供需双方理解一致的条件下签订合同。
4、期货、订货的客户请先来电函详细告诉所需的阀门型号、规格、数量以及交货时间、地点,并按总的30%预定金或全额货款及时汇入我厂帐户,其余货款待发货前汇入,以便及时安排发货。
订单流程:
1、客户采购清单传真至021-33872143,或来电咨询 021-33872141
2、收到客户采购清单,为客户提供阀门型号选型与报价(价格清单)。
3、具体商定:交货期、特殊要求等事宜。
订货须知:
1、客户如对产品有特殊要求,须在订货合同中提供以下说明:
|
|||||
|
|||||
2、本厂可根据客户特定要求配置各类驱动装置。
|
|||||
3、如由客户提供确定的阀门类型和型号时,客户应正确说明其型号的含义和要求,在供需双方理解一致的条件下签订合同。
|
|||||
4、期货、订货的客户请先来电函详细告诉所需的阀门型号、规格、数量以及交货时间、地点,并按总的30%预定金或全额货款及时汇入我厂账户, 其余货款待发货前汇入,以便及时安排发货。
|
售中服务:
守信合同,及时供货,随时保持与客户联系。
对特殊或复制的产品,我厂安排技术人员对用户进行产品使用、故障排除
售后服务:
1、“奇高”产品品质期为自出厂起12个月,实行“三包”服务(包退、包换、保修)。
2、产品在使用中我厂定期组织技术、质检人员进行访问,征询用户对产品质量、使用状况、改进意见等方面的反馈,
以便进一步提高产品质量。
3、对用户投诉质量问题,快速作出反应,售后服务人员在24-36小时(省外48小时)赶赴现场。
4、对售后服务,要求用户填写服务后的质量反馈信息表,并作出鉴定意见,以便提高“奇高”的服务质量。
声明 |
|